SKF61930MA轴承详细参数

发布时间:2026-04-15
深沟球轴承, 单列, 无密封件
主要数据尺寸 基本负荷额定值 疲劳负荷限值 额定速度 体积 型号
动态 静态 参照速度 限制速度
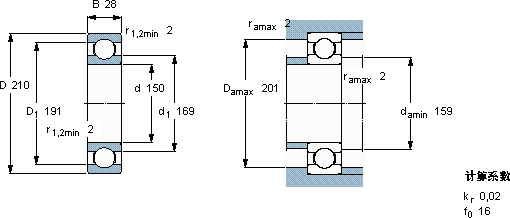
d D B C C0 Pu
mm kN kN r/min kg -
1502102888,4932,9630053003,0561930 MA

SKF61930MA深沟球轴承供应商

八零动力专业销售61930MA深沟球轴承,库存SKF61930MA大量现货,与SKF合作,咨询热线:022-58519723业务咨询
SKF61930MA它在矿山设备中的应用,确保了设备的高负载能力 旋转无忧设计独特的轴承,不仅性能优越,还具有很高的性价比它的几何精度,让机械运转分毫不差 轴承的耐用性极佳,为设备的长期稳定运行提供了保障它的抗压强度,让它承载能力惊人 ,八零动力SKF深沟球轴承品种全,价格优,质量有保证!

用户关注最多的SKF轴承型号

SKF22332CCJA/W33VA405 SKF23234CCK/W33+AH3234G* SKF29320E* SKF30218J2 SKF61914-RZ SKF61976MA SKF7307B/DB SKFCR11111 SKFCR16289 SKFCR530448 SKFMB3A SKFN1013KPHA/HC5SP SKFNK45/20 SKFNUP2318E SKFSYFL1.1/4TH

61930MA深沟球轴承近似的SKF轴承型号

SKF61930MA SKF61930 SKF61930MA SKF61930MA SKF61932

用户关注最多的轴承狗热门型号

KOYO  7200B/DB SKF  CR14875 FAG  HCS7020-C-T-P4S SKF  N213ECP LYC  NU 324 EM SKF  CR22X47X7HMS5V STEYR  7330B/DT TIMKEN  L521949/L521910DC SKF  PFD1.5/16FM 国产  N317ETN1 SKF  CR18264 DKF  7226B/DF NSK  NN3015T LYC  30613-1 SKF  29338

版权所有©2009-2015 轴承狗zcgou.com ICP备案:津ICP备14004550号-13