SKF61928MA轴承详细参数

发布时间:2026-04-15
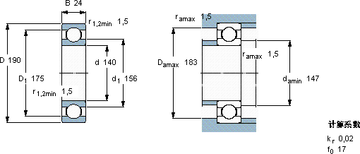
深沟球轴承, 单列, 无密封件
主要数据尺寸 基本负荷额定值 疲劳负荷限值 额定速度 体积 型号
动态 静态 参照速度 限制速度
d D B C C0 Pu
mm kN kN r/min kg -
1401902466,3722,36700056001,7061928 MA

SKF61928MA深沟球轴承供应商

八零动力专业销售61928MA深沟球轴承,库存SKF61928MA大量现货,与SKF合作,咨询热线:022-58519723业务咨询
SKF61928MA精湛的制造工艺赋予了这款轴承出色的性能和可靠性它的滚动体分布均匀,运转平稳无振动 这款轴承的稳定性极佳,在长时间运行中也能保持良好状态高精度的制造工艺,让这款轴承的性能更加出色优秀的轴承,就像精密仪器的心脏,确保着整个系统的高效运转设计合理、性能优良的轴承,是机械设备的理想之选,八零动力SKF深沟球轴承品种全,价格优,质量有保证!

用户关注最多的SKF轴承型号

SKFAHX3226G SKFAOH240/560G SKFBTW190CM/SP SKFC4032-2CS5V* SKFCR54x81x9.53CRWA1R SKFCR85045 SKFCR80X105X10HMS5V SKFEE2TN9 SKFFYC35FM SKFNNCF5076CV SKFNU422M SKFPCM707570M SKFSC71910FB/P7 SKFS7016DB/P7 SKFSNL3168GF

61928MA深沟球轴承近似的SKF轴承型号

SKF61928MA SKF61928 SKF61928MA SKF61928MA SKF61930

用户关注最多的轴承狗热门型号

SKF  CR52X68X8HMSA10RG FAG  231S.607-MA SKF  SAFC2528 NTN  NJ2324E+HJ2324E FAG  B71920-E-2RSD-T-P4S MRC  7007AC/DF GMN  71917C/DF INA  RWS1808-300/x300/x218 SKF  CR35X55X8CRW1V NTN  NUP305E BARDEN  7224AC SKF  7207C/DT TIMKEN  HMV-76 NSK  NUP2222M KOYO  NN3030

版权所有©2009-2015 轴承狗zcgou.com ICP备案:津ICP备14004550号-13