SKF61912轴承详细参数

发布时间:2026-04-22
深沟球轴承, 单列, 无密封件
主要数据尺寸 基本负荷额定值 疲劳负荷限值 额定速度 体积 型号
动态 静态 参照速度 限制速度
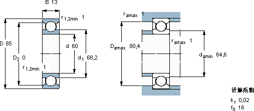
d D B C C0 Pu
mm kN kN r/min kg -
60851316,514,30,616000100000,2061912

SKF61912深沟球轴承供应商

八零动力专业销售61912深沟球轴承,库存SKF61912大量现货,与SKF合作,咨询热线:022-58519723业务咨询
SKF61912它在汽车工业中的应用,让车辆运行更加平稳 它的抗震性能,确保了它在振动环境下的可靠性 没有轴承,现代机械将寸步难行,它的长寿命,减少了资源浪费 它的轻量化设计,减少了运输成本 轴承的选材精良,确保了其具有良好的耐磨性和抗腐蚀性,八零动力SKF深沟球轴承品种全,价格优,质量有保证!

用户关注最多的SKF轴承型号

SKF2307E-2RS1TN9 SKF239/750CAK/W33* SKF241/800ECA/W33 SKF30312J2/Q SKF71808CD/P4A SKF81148M SKFCR12577 SKFCR160X190X15HMS5V SKFCR33X50X6HMS5V SKFCR530448 SKFCR7517 SKFN10 SKFPCM040506B/VB055 SKFPF1.3/16FM SKFSAF1518

61912深沟球轴承近似的SKF轴承型号

SKF61912-2RZ SKF61912-2RS SKF61912-RZ SKF61912-RS SKF61912-2RS1 SKF61912 SKF61911-RZ SKF61912-2RS

用户关注最多的轴承狗热门型号

INA  K75X83X40-ZW NSK  CM-UCFL209-112D1 SKF  22211CCK/W33+H311 SKF  2x7304BEGAP* NACHI  22213EXK FAG  1315-K-M-C3 INA  PWKR35-2RS NSK  7201BEA NMB  R-725ZZY03 NTN  7306AC/DT NTN  NUP1072 STEYR  NU409 SKF  249/1060CAK30F/W33 SKF  YSA210-2FK IKO  CR10VB

版权所有©2009-2015 轴承狗zcgou.com ICP备案:津ICP备14004550号-13