SKF61910-2RS1轴承详细参数

发布时间:2026-04-15
深沟球轴承, 单列, 两面密封件
主要数据尺寸 基本负荷额定值 疲劳负荷限值 额定速度 体积 型号
动态 静态 参照速度 限制速度
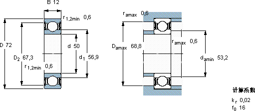
d D B C C0 Pu
mm kN kN r/min kg -
50721214,611,80,5-56000,1461910-2RS1

SKF61910-2RS1深沟球轴承供应商

八零动力专业销售61910-2RS1深沟球轴承,库存SKF61910-2RS1大量现货,与SKF合作,咨询热线:022-58519723业务咨询
SKF61910-2RS1承载无限可能,轴承的稳定性和可靠性都十分出色,赢得了用户的信赖卓越的设计和可靠的性能,是这款轴承的两大亮点它的精密设计,展现了人类智慧的巅峰 设计合理、性能优良的轴承,是机械设备的理想之选是您成功路上的得力助手,,八零动力SKF深沟球轴承品种全,价格优,质量有保证!

用户关注最多的SKF轴承型号

SKF2207E-2RS1TN9 SKF315 SKF6204-ZNR* SKF628-RZ* SKF71902CD/HCP4A SKF7212BECBP* SKFCR11589 SKFBVNB328607A/HA1 SKFC4010TN9* SKFCR16289 SKFFYT1.1/2TF/VA201 SKFN2320 SKFPDNB319 SKFTUL1.1/4TH SKFUC212

61910-2RS1深沟球轴承近似的SKF轴承型号

SKF61910-RS SKF61910-2RS SKF61910-RZ SKF61910 SKF61910-2RS1 SKF61910-2RZ SKF61910-2RS SKF61910-2RZ

用户关注最多的轴承狗热门型号

KOYO  61884 NACHI  NU413 NTN  23948K SKF  1982F/1924A/QVQ519 NACHI  N205 LYC  3-247 SKF  C6910V* ZKL  NJ2217 FAG  HS7013-E-T-P4S TIMKEN  359-S/3520 NTN  2211K+H311 LYC  6304 E-2Z/C3 LYC  6203 E/P63Z1 SNR  6008N SKF  71904CE/HCP4A

版权所有©2009-2015 轴承狗zcgou.com ICP备案:津ICP备14004550号-13