SKF61909-2RS1轴承详细参数

发布时间:2026-04-14
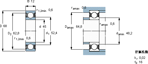
深沟球轴承, 单列, 两面密封件
主要数据尺寸 基本负荷额定值 疲劳负荷限值 额定速度 体积 型号
动态 静态 参照速度 限制速度
d D B C C0 Pu
mm kN kN r/min kg -
4568121410,80,465-60000,1461909-2RS1

SKF61909-2RS1深沟球轴承供应商

八零动力专业销售61909-2RS1深沟球轴承,库存SKF61909-2RS1大量现货,与SKF合作,咨询热线:022-58519723业务咨询
SKF61909-2RS1稳定的传奇它的设计巧妙,在保证性能的同时,还兼顾了安装的便捷性它的可靠性,赢得了无数工程师的信任 轴承的耐用性极佳,为设备的长期稳定运行提供了保障运转起来如此顺滑,这款轴承的制造工艺着实令人赞叹品质永相随,八零动力SKF深沟球轴承品种全,价格优,质量有保证!

用户关注最多的SKF轴承型号

SKF16100-2Z SKF31311J2/QCL7C SKF32007X/QW64* SKF3205A-Z SKF387A/382A/Q SKF71905ACD/P4A SKFBT4B328887G/HA1VA901 SKFBTM110B/P4CDBA SKFC3064KM+OH3064H* SKFC4913K30V* SKFC4916V* SKFCR1525549 SKFPCM353920M SKFPWM110125100 SKFYAR205-100-2RF/HV

61909-2RS1深沟球轴承近似的SKF轴承型号

SKF61909-2RS1 SKF61909-2RS SKF61909-2RZ SKF61909 SKF61909-2RS SKF61909-2RZ

用户关注最多的轴承狗热门型号

SKF  SDAF23192 NTN  6403 SKF  6307-2Z/VA208 SKF  7248BCBM FAG  HS7004-C-T-P4S SNR  7018C/DT GMN  7213B/DB LYC  013.45.1800.03K1 INA  RNA22/6-2RSR SKF  CR21111 INA  SD15X23X3 SKF  62210-2RS1 TORRINGTON FAFNIR  6213-2Z NTN  30311 IKO  CF8VR

版权所有©2009-2015 轴承狗zcgou.com ICP备案:津ICP备14004550号-13