SKF61908-2RS1轴承详细参数

发布时间:2026-04-14
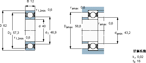
深沟球轴承, 单列, 两面密封件
主要数据尺寸 基本负荷额定值 疲劳负荷限值 额定速度 体积 型号
动态 静态 参照速度 限制速度
d D B C C0 Pu
mm kN kN r/min kg -
40621213,8100,425-67000,1261908-2RS1

SKF61908-2RS1深沟球轴承供应商

八零动力专业销售61908-2RS1深沟球轴承,库存SKF61908-2RS1大量现货,与SKF合作,咨询热线:022-58519723业务咨询
SKF61908-2RS1它的抗冲击能力,让它经久不衰 它的品质卓越,为机械设备的高效、稳定运行保驾护航轴承的耐用性强,减少了设备的停机维护时间它的轴向游隙控制,精准到令人惊叹 让工作更高效,高品质的轴承,在复杂工况下也能展现出卓越的性能,八零动力SKF深沟球轴承品种全,价格优,质量有保证!

用户关注最多的SKF轴承型号

SKF1206K+H206 SKF16044 SKF51132 SKF6209-2RZTN9/HC5C3WT SKF71916DB/P7 SKFC7024FB/P7 SKFC71914DB/P7 SKFCR12678 SKFCR18785 SKFCR195X220X16CRSH13R SKFK20x26x17 SKFMS3080-76 SKFNCF2892V SKFPCZ1014M SKFRSTO50

61908-2RS1深沟球轴承近似的SKF轴承型号

SKF61908-2RS1 SKF61908 SKF61908-2RZ SKF61908-2RS SKF61908-2RS SKF61908-2RZ

用户关注最多的轴承狗热门型号

SNR  7309C 国产  292244 MRC  3206A-RS STEYR  N214 MRC  QJ208 RHP  7004C FAG  SNV140-L + 22216-E1-K + H316X212 + TCV516 NSK  NUP309EM INA  PAF12170-P10 NACHI  7209BDB SKF  51306 RIV  NJ2312 MRC  6002-Z SKF  609/HR22T2 IKO  CRB14025

版权所有©2009-2015 轴承狗zcgou.com ICP备案:津ICP备14004550号-13