SKF61888MA轴承详细参数

发布时间:2026-05-31
深沟球轴承, 单列, 无密封件
主要数据尺寸 基本负荷额定值 疲劳负荷限值 额定速度 体积 型号
动态 静态 参照速度 限制速度
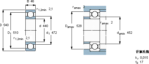
d D B C C0 Pu
mm kN kN r/min kg -
440540462554408,52200180022,561888 MA

SKF61888MA深沟球轴承供应商

八零动力专业销售61888MA深沟球轴承,库存SKF61888MA大量现货,与SKF合作,咨询热线:022-58519723业务咨询
SKF61888MA它在轨道交通中的应用,确保了列车的安全运行 它的耐用性,让人惊叹不已 给您意想不到的顺畅体验,该轴承的性能优越,极大地提高了设备的工作效率它的轻量化设计,减少了运输成本 它在风力发电中的应用,为清洁能源贡献力量 ,八零动力SKF深沟球轴承品种全,价格优,质量有保证!

用户关注最多的SKF轴承型号

SKF7228C SKFAHX2319 SKFCR22X40X7HMS5RG SKFCR47394 SKFGE200ES-2RS SKFGEZ104TXE-2LS SKFNKI15/20 SKFNU20/560ECMA SKFNUP313E SKFOKCX690 SKFPCM252825M SKFPF1.5/8RM SKFS71919CD/P4A SKFSIR80ES SKFSYM2.11/16TF/AH

61888MA深沟球轴承近似的SKF轴承型号

SKF61888 SKF61888MA SKF61888MA SKF61888MA SKF618/9

用户关注最多的轴承狗热门型号

STEYR  51100 NACHI  NU2206EG KOYO  53408 LYC  71852 C/P4 SKF  3204A FAG  NJ2304-E-TVP2 + HJ2304E TIMKEN  YA103RRB2 KOYO  23072RK+H3072 SKF  CR21x35x7CRW1V NSK  NF232M TORRINGTON  23092CAC/W33 SKF  CR17678 NSK  53432X SKF  NAO12x28x12 RHP  7002C

版权所有©2009-2015 轴承狗zcgou.com ICP备案:津ICP备14004550号-13