SKF61880MA轴承详细参数

发布时间:2026-04-15
深沟球轴承, 单列, 无密封件
主要数据尺寸 基本负荷额定值 疲劳负荷限值 额定速度 体积 型号
动态 静态 参照速度 限制速度
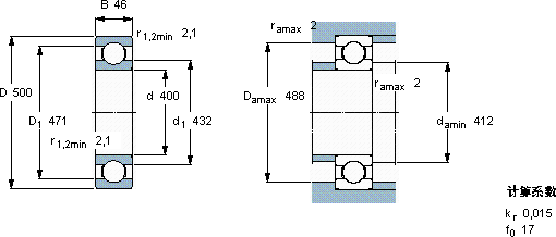
d D B C C0 Pu
mm kN kN r/min kg -
400500462474058,152400190020,561880 MA

SKF61880MA深沟球轴承供应商

八零动力专业销售61880MA深沟球轴承,库存SKF61880MA大量现货,与SKF合作,咨询热线:022-58519723业务咨询
SKF61880MA这款轴承的运转十分平稳,几乎感受不到任何震动它的润滑技术,让摩擦降至最低 它的低摩擦设计,减少了能量损耗 这轴承的制造工艺精湛,展现出了极高的工业水准减少摩擦降低能耗为您的工程保驾护航,,八零动力SKF深沟球轴承品种全,价格优,质量有保证!

用户关注最多的SKF轴承型号

SKF22324CC/W33* SKF2x7307BECBP* SKF358162A SKF6312-2ZNR* SKF6307-ZNR* SKF7236B SKFC2224K+H3124L* SKFCR1550162 SKFHMV72E SKFN314ECP SKFNJ328ECM* SKFNK60/25 SKFNU252MA SKFS71906CD/P4A SKFSAFC2320

61880MA深沟球轴承近似的SKF轴承型号

SKF61880MA SKF61880MA SKF61880 SKF61880MA SKF61884

用户关注最多的轴承狗热门型号

FAG  SNV200-L + 1222-M + DH222 NSK  7922A5DF FAG  SNV160-L + 1218-K-TVH-C3 + H218 + TSV518 SKF  NJ2326E TIMKEN  44150 /44348-B SKF  SNL40/530GF SKF  CR55X68X8HMS5RG SKF  53315U SKF  C31/850MB* SKF  TU1.3/16FM FAG  H2319X306 SKF  BS2-2207-2CS/VT143* NACHI  NJ406 IKO  BA188Z IKO  LRXD20

版权所有©2009-2015 轴承狗zcgou.com ICP备案:津ICP备14004550号-13