SKF61876MA轴承详细参数

发布时间:2026-04-15
深沟球轴承, 单列, 无密封件
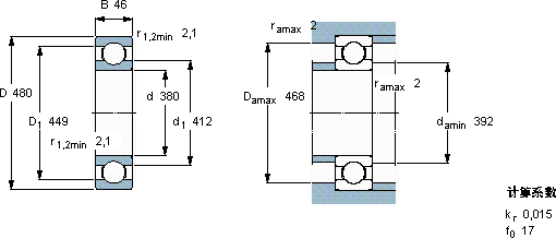
主要数据尺寸 基本负荷额定值 疲劳负荷限值 额定速度 体积 型号
动态 静态 参照速度 限制速度
d D B C C0 Pu
mm kN kN r/min kg -
3804804624239082400200020,061876 MA

SKF61876MA深沟球轴承供应商

八零动力专业销售61876MA深沟球轴承,库存SKF61876MA大量现货,与SKF合作,咨询热线:022-58519723业务咨询
SKF61876MA它的耐腐蚀性,让它经久不衰 它在食品机械中的应用,展现了它的卫生性能 它的稳定性,让它在各种环境下都能可靠工作 卓越的设计理念,赋予了这款轴承超凡的性能卓越的性能表现,让这款轴承在市场上脱颖而出这款轴承的运转十分平稳,几乎感受不到任何震动,八零动力SKF深沟球轴承品种全,价格优,质量有保证!

用户关注最多的SKF轴承型号

SKF2302E-2RS1TN9 SKF230/950CAK/W33 SKF23164-2CS5K/VT143* SKF24028CC/W33 SKF7011ACE/HCP4A SKFC7006DB/P7 SKFCR520x560x20HDS1R1 SKFCRMVR2-80 SKFFT1.FM SKFH2340 SKFICOS-D1B05-TN9* SKFNKI17/16 SKFNNU4160M/W33 SKFNUP436MA SKFOKC490

61876MA深沟球轴承近似的SKF轴承型号

SKF61876MA SKF61876TN9 SKF61876 SKF61876MA SKF61876MA SKF61876TN9

用户关注最多的轴承狗热门型号

RHP  NU310 SKF  CR200X250X15CRSH1R LYC  6004 2RS C3 SKF  BGSB358344 SNR  6214-RS TIMKEN  M235149/M235113 INA  BK2520 国产  6010/MT NTN  6217-RS SNR  7318AC STEYR  NJ2204 SKF  CR18444 NACHI  6028Z SKF  3309DNRCBM IKO  CF4

版权所有©2009-2015 轴承狗zcgou.com ICP备案:津ICP备14004550号-13