SKF61868MA轴承详细参数

发布时间:2026-04-14
深沟球轴承, 单列, 无密封件
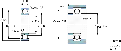
主要数据尺寸 基本负荷额定值 疲劳负荷限值 额定速度 体积 型号
动态 静态 参照速度 限制速度
d D B C C0 Pu
mm kN kN r/min kg -
3404203817827562800240011,561868 MA

SKF61868MA深沟球轴承供应商

八零动力专业销售61868MA深沟球轴承,库存SKF61868MA大量现货,与SKF合作,咨询热线:022-58519723业务咨询
SKF61868MA它的可回收性,减少了废弃物处理成本 开启顺畅运行新时代,不得不说,这款轴承的品质过硬,在行业内堪称典范,它的抗剪切性能,确保了它的结构稳定性 它的材质选择,体现了对品质的极致追求 精准承载,八零动力SKF深沟球轴承品种全,价格优,质量有保证!

用户关注最多的SKF轴承型号

SKF24130CC/W33 SKF30306J2/Q SKF71803ACD/HCP4 SKF7308BEP SKFBTW35CTN9/SP SKFCR35X50X10HMS5RG SKFCR530733 SKFCR99131 SKFFYJ1.1/2TF SKFFYR1.1/2H-3 SKFIR90x100x26 SKFNJ18/1320ECMA SKFPCMF353916E SKFSYL20TH SKFW628/6-2Z

61868MA深沟球轴承近似的SKF轴承型号

SKF61868MA SKF61868MA SKF61868 SKF61868MA SKF618/7

用户关注最多的轴承狗热门型号

NSK  LM2428 TORRINGTON FAFNIR  7208B 国产  K85*93*25 NTN  NJ418+HJ418 FLT  N332 KOYO  2309 SKF  23024-2CS2/VT143* SKF  SYE3.1/2N-118 KOYO  7244B/DF ASAHI  UKP320+H2320 LYC  24148 CAK/C4W33 SKF  SYH1.11/16TF LYC  32220/P5 IKO  LRT6810 IKO  CF18VBUU

版权所有©2009-2015 轴承狗zcgou.com ICP备案:津ICP备14004550号-13