SKF61819轴承详细参数

发布时间:2026-05-30
深沟球轴承, 单列, 无密封件
主要数据尺寸 基本负荷额定值 疲劳负荷限值 额定速度 体积 型号
动态 静态 参照速度 限制速度
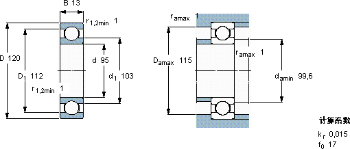
d D B C C0 Pu
mm kN kN r/min kg -
951201319,922,80,931100067000,3061819

SKF61819深沟球轴承供应商

八零动力专业销售61819深沟球轴承,库存SKF61819大量现货,与SKF合作,咨询热线:022-58519723业务咨询
SKF61819轴承的耐用性出色,能够长时间保持良好的工作状态品质卓越设计合理、性能优良的它,是机械设备稳定运行的重要保障轴承的稳定性和可靠性表现卓越,赢得了广泛赞誉它的耐用性,赢得了无数用户的信赖 它的抗震性能,确保了它在振动环境下的可靠性 ,八零动力SKF深沟球轴承品种全,价格优,质量有保证!

用户关注最多的SKF轴承型号

SKF23024CCK/W33+AHX3024* SKF23080CACK/W33 SKF2x71972ACGMB SKF309-Z SKF4202ATN9 SKF71814CD/P4A SKF7300B/DF SKFCR190X225X15HMSA10RG SKFFSYE2.15/16 SKFGS89312 SKFNJ224ECP* SKFNU2344ECMP SKFNU308ECML* SKFSIL6C SKFSYH1.1/4ATF/AH

61819深沟球轴承近似的SKF轴承型号

SKF61819-2RS1 SKF61819-RZ SKF61819-RS SKF61819-2RZ SKF61819 SKF61819-2RS SKF61818-RZ SKF61819-2RS

用户关注最多的轴承狗热门型号

MRC  7309C/DF NTN  N411 TIMKEN  55187/55444D+X1S-55187 LYC  NJ 324 M KOYO  47T815533B MRC  7000C NSK  2208 TIMKEN  K68X74X28CH SKF  BT4B328203/HA1 KOYO  60/750 SNR  6304-RS NSK  150BNR19S SKF  21312CCK+H312 TIMKEN  HM88630/HM88612 IKO  LWETC30...SL.../U

版权所有©2009-2015 轴承狗zcgou.com ICP备案:津ICP备14004550号-13