SKF61818-2RS1轴承详细参数

发布时间:2026-04-15
深沟球轴承, 单列, 两面密封件
主要数据尺寸 基本负荷额定值 疲劳负荷限值 额定速度 体积 型号
动态 静态 参照速度 限制速度
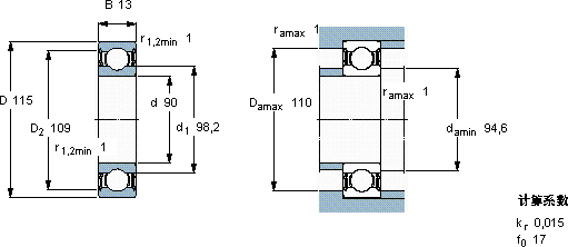
d D B C C0 Pu
mm kN kN r/min kg -
901151319,5220,915-32000,2861818-2RS1

SKF61818-2RS1深沟球轴承供应商

八零动力专业销售61818-2RS1深沟球轴承,库存SKF61818-2RS1大量现货,与SKF合作,咨询热线:022-58519723业务咨询
SKF61818-2RS1高精度的制造工艺,让这款轴承的性能更加出色轴承的耐用性超乎想象,有效降低了设备的维护成本就是选择高效与可靠它的疲劳强度,确保了长期使用的可靠性 它的旋转精度,让高速运转成为现实 引领行业速度,我们的轴承始终稳如磐石,八零动力SKF深沟球轴承品种全,价格优,质量有保证!

用户关注最多的SKF轴承型号

SKF22328CCJA/W33VA406 SKF23140CC/W33 SKF6213-ZN SKFCR90765 SKFFSAFC2520 SKFIR25x30x20 SKFMBL24 SKFNJ212ECML* SKFNJ2218ECP SKFOKC270 SKFPCM556040B SKFS7013FB/P7 SKFSC7020DB/P7 SKFSYR1.11/16-3 SKFTVN312WA

61818-2RS1深沟球轴承近似的SKF轴承型号

SKF61818-RZ SKF61818 SKF61818-RS SKF61818-2RZ SKF61818-2RS SKF61818-2RS1 SKF61818-2RS SKF61818-2RZ

用户关注最多的轴承狗热门型号

TORRINGTON FAFNIR  6320-Z TIMKEN  H242649/H242610 NTN  6304N FAG  KUG92 SKF  HK4516 FAG  KUG11,112 SKF  CR400254 LYC  331977TQO/GWI 国产  B7324CM SKF  NCF2956CV SKF  MB6C NACHI  23064EW33K NTN  NJ419 STEYR  N214 SKF  NK26/20

版权所有©2009-2015 轴承狗zcgou.com ICP备案:津ICP备14004550号-13