SKF6092N1MB轴承详细参数

发布时间:2026-05-30
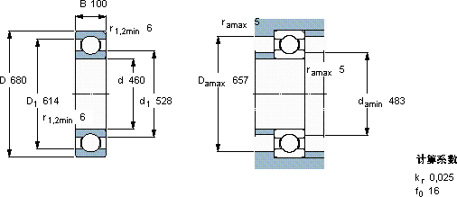
深沟球轴承, 单列, 于外圈的一个带定位槽
主要数据尺寸 基本负荷额定值 疲劳负荷限值 额定速度 体积 型号
动态 静态 参照速度 限制速度
d D B C C0 Pu
mm kN kN r/min kg -
460680100582106019180015001206092 N1MB

SKF6092N1MB深沟球轴承供应商

八零动力专业销售6092N1MB深沟球轴承,库存SKF6092N1MB大量现货,与SKF合作,咨询热线:022-58519723业务咨询
SKF6092N1MB品质卓越的它,在各种工况下都能展现出优异的性能优秀的设计理念和精湛的制造工艺,成就了这款优秀的轴承这款轴承的稳定性极佳,在长时间运行中也能保持良好状态每一次转动都是精准与力量的完美呈现,不得不说,这款轴承的品质过硬,在行业内堪称典范,它在包装机械中的应用,确保了设备的高效率 ,八零动力SKF深沟球轴承品种全,价格优,质量有保证!

用户关注最多的SKF轴承型号

SKF24096ECAK30/W33+AOH24096* SKF619/530 SKF71806CD/P4A SKF7212BECBM* SKF81122TN SKFAOH3144 SKFCR15624 SKFCR528525 SKFIR15x20x12IS1 SKFM20x1 SKFNCF3064CV SKFNUB248MA SKFNUP248MA SKFOH3180HE SKFRNU1020ML

6092N1MB深沟球轴承近似的SKF轴承型号

SKF6092N1MB SKF6092MB SKF6092 SKF6092MB SKF6092MB SKF6096

用户关注最多的轴承狗热门型号

FAG  24180-B-K30 LYC  212 X3V NTN  16009 SKF  F1.FM SKF  PCMF101209B FAG  SNV140-L + 22216-E1 + DH216 TIMKEN  8578/8520-B DKF  7338B TIMKEN  23220CJ SKF  HM911245/W/2/210/2/QCL7C NTN  7301B/DF BARDEN  7010AC/DF IKO  WS3047 IKO  IRT1716-2 IKO  CRW4-320SL

版权所有©2009-2015 轴承狗zcgou.com ICP备案:津ICP备14004550号-13