SKF608/560MA轴承详细参数

发布时间:2026-04-14
深沟球轴承, 单列, 无密封件
主要数据尺寸 基本负荷额定值 疲劳负荷限值 额定速度 体积 型号
动态 静态 参照速度 限制速度
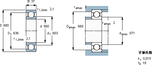
d D B C C0 Pu
mm kN kN r/min kg -
5606803722946581600130030,5608/560 MA

SKF608/560MA深沟球轴承供应商

八零动力专业销售608/560MA深沟球轴承,库存SKF608/560MA大量现货,与SKF合作,咨询热线:022-58519723业务咨询
SKF608/560MA它的密封性能,减少了润滑剂的泄漏 轴承的精度和稳定性都达到了行业顶尖水平卓越的设计理念,赋予了这款轴承超凡的性能它的抗磨损涂层,让它更加耐用 它的制造工艺,堪称工业艺术的典范 它的材质选择,体现了对耐用性的极致追求 ,八零动力SKF深沟球轴承品种全,价格优,质量有保证!

用户关注最多的SKF轴承型号

SKF23988CC/W33* SKF316012 SKF3306A-2RS SKF687/672 SKF7218CD/P4A SKF7307BECBP SKF7310BEP SKFCR23654 SKFCR592376 SKFCR66x85x10CRSHA1R SKFFYRP2.7/16H SKFNJ324ECM* SKFNNC4840CV SKFPCM182015B SKFSNL3188L

608/560MA深沟球轴承近似的SKF轴承型号

SKF608-2Z/C3WT* SKF6084M SKF60880MA SKF608/630MA SKF608-2RZ SKF6080M SKF608/560MA SKF608/850MB SKF60872MA SKF608/500MA SKF608/500MA SKF608/600MA

用户关注最多的轴承狗热门型号

NSK  ZM-UCF207D1 INA  GAKL16-PB FYH  UKK306+H2306 SKF  HMV13E LYC  132.50.4500.03K7 FAG  BND3176-Z-Y-AF-S FAG  23120-E1A-K-M SKF  FY1.FM TIMKEN  590/592D+X1S-590 KOYO  60/630 SKF  CR140X170X12HMSA10V NSK  NU2236EM SNR  7312B SKF  BTW35CTN9/SP IKO  LBE8AJ

版权所有©2009-2015 轴承狗zcgou.com ICP备案:津ICP备14004550号-13