SKF60880MA轴承详细参数

发布时间:2026-05-30
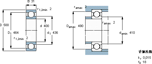
深沟球轴承, 单列, 无密封件
主要数据尺寸 基本负荷额定值 疲劳负荷限值 额定速度 体积 型号
动态 静态 参照速度 限制速度
d D B C C0 Pu
mm kN kN r/min kg -
400500311632805,62400190015,560880 MA

SKF60880MA深沟球轴承供应商

八零动力专业销售60880MA深沟球轴承,库存SKF60880MA大量现货,与SKF合作,咨询热线:022-58519723业务咨询
SKF60880MA优秀的设计理念和精湛的制造工艺,成就了这款杰出的轴承这轴承的质量过硬,经得起时间和高强度工作的考验您值得拥有轴承的稳定性和可靠性都十分出色,赢得了用户的信赖设计合理、性能优良的轴承,是机械设备的理想之选它在食品机械中的应用,展现了它的卫生性能 ,八零动力SKF深沟球轴承品种全,价格优,质量有保证!

用户关注最多的SKF轴承型号

SKF22330-2CS5/VT143* SKF2317K+H2317 SKF240/500CAC/W33 SKF32234J2/DF SKF61906-2RZ SKF7211CD/HCP4A SKF7236AC/DT SKFC3976KM* SKFCR34887 SKFNJ2330ECMA SKFNNCF5015CV SKFOKCX790 SKFPCZ3232B SKFPCZ6476M SKFSAFC2530

60880MA深沟球轴承近似的SKF轴承型号

SKF60880MA SKF6088 SKF60888MA

用户关注最多的轴承狗热门型号

KOYO  7406BDF KOYO  7024C/DT NSK  NU424 LYC  3214(重复) FAG  F508-WB-L + 22208-E1-K INA  ZKLF3080-2Z TIMKEN  GE30KRRB NACHI  7217DB SKF  HM30/800 SKF  CR90163 NTN  1200 INA  KWVE30-B-SL ASAHI  UCFU315 SKF  5213A NTN  16012

版权所有©2009-2015 轴承狗zcgou.com ICP备案:津ICP备14004550号-13