SKF6084M轴承详细参数

发布时间:2026-04-15
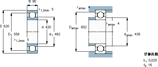
深沟球轴承, 单列, 无密封件
主要数据尺寸 基本负荷额定值 疲劳负荷限值 额定速度 体积 型号
动态 静态 参照速度 限制速度
d D B C C0 Pu
mm kN kN r/min kg -
4206209050788016,32000160091,56084 M

SKF6084M深沟球轴承供应商

八零动力专业销售6084M深沟球轴承,库存SKF6084M大量现货,与SKF合作,咨询热线:022-58519723业务咨询
SKF6084M先进的制造工艺,让这款轴承的性能更加稳定可靠承载重托它的抗磨损涂层,让它更加耐用 机械的心脏是您设备高效运转的可靠伙伴,这轴承的设计简直精妙绝伦,每一处细节都彰显着极致的工艺美学,八零动力SKF深沟球轴承品种全,价格优,质量有保证!

用户关注最多的SKF轴承型号

SKF2216EKTN9 SKF22215CCK/W33+H315 SKF51209 SKF6306ETN9 SKF71909DB/P7 SKFC30/950KMB+AOH30/950* SKFCR34860 SKFCR400144 SKFFY2.3/16FM SKFHM30/800 SKFNN3014TN/SP SKFNU215E SKFS7019CD/P4A SKFSNW3138x6.15/16 SKFWS811/630

6084M深沟球轴承近似的SKF轴承型号

SKF6084 SKF6084M SKF6084 SKF60872MA

用户关注最多的轴承狗热门型号

NACHI  5204N SKF  W6009-2Z NSK  7001A5TYNDBLP4 TIMKEN  K47X52X15FH TIMKEN  48685/48620-B NSK  54415U NSK  6016NR NTN  22332BK TORRINGTON  22320CC/W33 SKF  SYNT40FTS NSK  25BER19H INA  NKIS17 FAG  BND2238-H-C-Y-BL-S TIMKEN  3479/3420-B SKF  FBSA204/QFC

版权所有©2009-2015 轴承狗zcgou.com ICP备案:津ICP备14004550号-13