SKF6030轴承详细参数

发布时间:2026-04-15
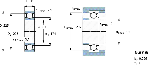
深沟球轴承, 单列, 无密封件
主要数据尺寸 基本负荷额定值 疲劳负荷限值 额定速度 体积 型号
动态 静态 参照速度 限制速度
d D B C C0 Pu
mm kN kN r/min kg -
150225351251253,9600038004,806030

SKF6030深沟球轴承供应商

八零动力专业销售6030深沟球轴承,库存SKF6030大量现货,与SKF合作,咨询热线:022-58519723业务咨询
SKF6030它的精密性,让它在高精度设备中无可替代 高精度的制造工艺,造就了这款高品质的轴承优秀的设计理念和精湛的制造工艺,成就了这款优秀的轴承卓越的设计和可靠的性能,是这款轴承的两大亮点稳定的传奇它在机器人领域的应用,展现了它的高精密性 ,八零动力SKF深沟球轴承品种全,价格优,质量有保证!

用户关注最多的SKF轴承型号

SKF22205CCK/W33 SKF248/1800CAFA/W20 SKF2x7210BEGAM* SKF30206J2/Q SKF315040/VJ202 SKF33017/Q SKF39590/39520/Q SKF51332M SKFCR60X90X10HMS5RG SKFNJG2334VH SKFNNCL4920CV SKFNU2203ECP SKFP40TR SKFSALKAC18M SKFSALKAC20M

6030深沟球轴承近似的SKF轴承型号

SKF16030 SKF6030-RS1 SKF6030-Z SKF6030-RS SKF6030-2RS SKF6030 SKF6030-2Z SKF6030-2RS1 SKF6028/W64 SKF6030-2RS

用户关注最多的轴承狗热门型号

MRC  61904 NTN  UK326+H2326 LYC  22213 CK/W33+H313 SKF  2x7209BEGAP* 国产  NUP308EN SKF  NK55/35 INA  GE70-AX NSK  NF352M INA  RNA4834 SKF  313924A LYC  6304 E/P6 TIMKEN  AOH3944 NTN  7830C NACHI  7213DF IKO  GS5578

版权所有©2009-2015 轴承狗zcgou.com ICP备案:津ICP备14004550号-13