SKF6028-RS1轴承详细参数

发布时间:2026-04-15
深沟球轴承, 单列, 单面密封件
主要数据尺寸 基本负荷额定值 疲劳负荷限值 额定速度 体积 型号
动态 静态 参照速度 限制速度
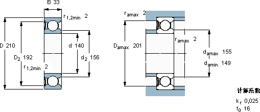
d D B C C0 Pu
mm kN kN r/min kg -
140210331111083,45-18003,356028-RS1

SKF6028-RS1深沟球轴承供应商

八零动力专业销售6028-RS1深沟球轴承,库存SKF6028-RS1大量现货,与SKF合作,咨询热线:022-58519723业务咨询
SKF6028-RS1承载重载历经岁月它的质量卓越,为机械设备的安全运行保驾护航卓越的设计理念,赋予了这款轴承超凡的性能要设备更出色卓越的性能表现,让这款轴承在市场上脱颖而出制造工艺精湛,使得这款轴承在运转时更加顺畅平稳,八零动力SKF深沟球轴承品种全,价格优,质量有保证!

用户关注最多的SKF轴承型号

SKF3208A-2RS1/MT33* SKF32960/DF SKF6007/HR22T2 SKFC71919DB/P7 SKFCR1350557 SKFCR55x75x8CRW1V SKFCR82570 SKFGS81296 SKFK120x127x24 SKFN308ECM* SKFNJ319ECN2ML* SKFNKX12Z SKFNNCF5024CV SKFQJ224 SKFSAF23024KAx4.3/16

6028-RS1深沟球轴承近似的SKF轴承型号

SKF6028-2RS1 SKF6028-2Z SKF16028 SKF6028-Z SKF6028/W64 SKF6028-2RS SKF6028 SKF6028-RS SKF6028-RS1 SKF6028-RS SKF6028-Z

用户关注最多的轴承狗热门型号

KOYO  16005 SNR  3213A-RS TIMKEN  575/572-B SKF  BT2-8016/HA3 NSK  54409U NTN  7310C/DT RHP  7034C/DB FAG  BND3080-Z-Y-AF-S SKF  NJ308ECML* MRC  71918C/DF KOYO  7303AC/DT TIMKEN  110RIF473 FAG  SNV240-L + 1322-K-M-C3 + H322 + TSV522 ZKL  7220B/DB SNR  7213C

版权所有©2009-2015 轴承狗zcgou.com ICP备案:津ICP备14004550号-13