SKF6026-2RS1*轴承详细参数

发布时间:2026-05-30
深沟球轴承, 单列, 两面密封件
主要数据尺寸 基本负荷额定值 疲劳负荷限值 额定速度 体积 型号
动态 静态 参照速度 限制速度
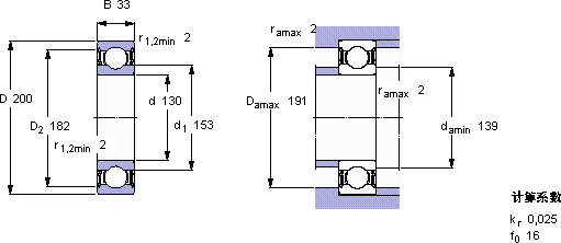
d D B C C0 Pu * - SKF Explorer 轴承
mm kN kN r/min kg -
130200331121003,35-20003,156026-2RS1 *

SKF6026-2RS1*深沟球轴承供应商

八零动力专业销售6026-2RS1*深沟球轴承,库存SKF6026-2RS1*大量现货,与SKF合作,咨询热线:022-58519723业务咨询
SKF6026-2RS1*这款轴承的运转十分平稳,几乎感受不到任何震动它的轻量化设计,减少了材料的使用 它的滚动体分布均匀,运转平稳无振动 它的质量可靠,是众多机械设备制造商的首选配件质量无可挑剔的轴承,在行业内树立了良好的口碑和形象轴承的精度和稳定性都达到了行业顶尖水平,八零动力SKF深沟球轴承品种全,价格优,质量有保证!

用户关注最多的SKF轴承型号

SKF4211ATN9 SKF618/800 SKF81113TN SKFBS2B321598 SKFC39/560KM* SKFCR14116 SKFCR28778 SKFCR390x450x25HDS1R SKFCR406503 SKFCR40X58X10HMSA10V SKFCR41126 SKFN1008KTNHA/SP SKFNNU4121M/W33 SKFNUP305E SKFPCM556060E

6026-2RS1*深沟球轴承近似的SKF轴承型号

SKF6026* SKF6026-2RS1* SKF6026-Z* SKF16026* SKF6026-2Z* SKF6026-2RS SKF6026-RS SKF6026-RS1* SKF6026N SKF6026-2RS SKF6026-2Z*

用户关注最多的轴承狗热门型号

FYH  UCFC214 SKF  7211C/DT NTN  23226BK+AHX3226 SKF  CR55X72X10HMSA10RG SKF  CR23652 LYC  51130/P5 NTN  6204NR SKF  GS81120 SKF  HMV41E TORRINGTON  23056CACK/W33 SKF  CR43650 SKF  CR315x355x18HDS1R NACHI  NN3044 INA  PAP5060-P11 NSK  6005N

版权所有©2009-2015 轴承狗zcgou.com ICP备案:津ICP备14004550号-13