SKF6020-Z*轴承详细参数

发布时间:2026-05-03
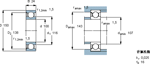
深沟球轴承, 单列, 单面防尘罩
主要数据尺寸 基本负荷额定值 疲劳负荷限值 额定速度 体积 型号
动态 静态 参照速度 限制速度
d D B C C0 Pu * - SKF Explorer 轴承
mm kN kN r/min kg -
1001502463,7542,04950056001,256020-Z *

SKF6020-Z*深沟球轴承供应商

八零动力专业销售6020-Z*深沟球轴承,库存SKF6020-Z*大量现货,与SKF合作,咨询热线:022-58519723业务咨询
SKF6020-Z*卓越的性能表现,让这款轴承在市场上脱颖而出旋转无忧它在冶金设备中的应用,确保了设备的高温性能 制造工艺精湛,使得这款轴承的精度和稳定性都非常出色它的圆度误差几乎可以忽略不计 它的品质卓越,为机械设备的高效运行提供了坚实后盾,八零动力SKF深沟球轴承品种全,价格优,质量有保证!

用户关注最多的SKF轴承型号

SKF1206K+H206 SKF22205/20E SKF22330CCJA/W33VA406 SKF24044CCK30/W33* SKF240/630ECK30J/W33+AOH240/630G* SKF31320 SKF7001CD/HCP4A SKF7004AC/DT SKF71909DB/P7 SKFCR32X42X7HMS5V SKFCR38x62x8CRW1V SKFCR42X66X10HMS5RG SKFCR6X22X7HMSA10RG SKFCR87871 SKFNU2322ECP

6020-Z*深沟球轴承近似的SKF轴承型号

SKF6020NR* SKF6020* SKF6020-2RS SKF6020-RS SKF6020-2Z* SKF6020-RS1* SKF6020N* SKF6020-2Z/VA208 SKF6020-2RS1* SKF16020* SKF6020-RS1* SKF6020N*

用户关注最多的轴承狗热门型号

FAG  BND3152-Z-T-AL-S SKF  RNU204ECP FYH  UCFLU208 SKF  PCZ3636B NTN  NUP2220 TIMKEN  619 /612-B SKF  7308BEP LYC  NN 3092 K/P51 GMN  71908C TIMKEN  38KVLL2 GMN  7005AC TIMKEN  110FSH180 FYH  UELP210 NTN  NJ317+HJ317 IKO  NAS5011ZZNR

版权所有©2009-2015 轴承狗zcgou.com ICP备案:津ICP备14004550号-13