SKF6019-RS1*轴承详细参数

发布时间:2026-04-14
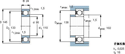
深沟球轴承, 单列, 单面密封件
主要数据尺寸 基本负荷额定值 疲劳负荷限值 额定速度 体积 型号
动态 静态 参照速度 限制速度
d D B C C0 Pu * - SKF Explorer 轴承
mm kN kN r/min kg -
951452463,7542,08-28001,206019-RS1 *

SKF6019-RS1*深沟球轴承供应商

八零动力专业销售6019-RS1*深沟球轴承,库存SKF6019-RS1*大量现货,与SKF合作,咨询热线:022-58519723业务咨询
SKF6019-RS1*它的热处理工艺,增强了它的硬度和韧性 这款轴承的性能卓越,有效提升了设备的整体性能和可靠性它的沟槽设计,完美匹配滚动体的运动轨迹 它在风力发电中的应用,为清洁能源贡献力量 它的抗冲击性能,让它经得起各种考验 它的耐腐蚀性,减少了维护成本 ,八零动力SKF深沟球轴承品种全,价格优,质量有保证!

用户关注最多的SKF轴承型号

SKF22217CC/W33 SKF232/670CAK/W33+OH32/670H SKF3313A* SKF71804CD/HCP4A SKF722505DA SKFCR10X25X7HMS5V SKFCR1600018 SKFCR22X40X10HMSA10V SKFCR24X47X7HMS5RG SKFCR30X42X8HMSA10RG SKFCR400140 SKFCR60x85x8CRW1V SKFN1009KTN/HC5SP SKFN1011KTN/SP SKFPFD1.9/16TF

6019-RS1*深沟球轴承近似的SKF轴承型号

SKF6019-2RS SKF6019-RS SKF16019* SKF6019-Z* SKF6019-2Z* SKF6019* SKF6019N SKF6019-2RS1* SKF6019-RS1* SKF6019-RS SKF6019-Z*

用户关注最多的轴承狗热门型号

NACHI  6901 TIMKEN  862/853 SKF  CR28746 KOYO  NJ413 SKF  2x7318BEGAP* FAG  SNV052-L + 20205-K-TVP-C3 + H205 + TSV505 INA  KH10 SKF  FSAF1613 国产  QJ215M SKF  CR359.99x400x24.99HDS2R MRC  NF305 NSK  6818NR FAG  24148-B-K30 + AH24148 KOYO  53313 国产  UCFU214

版权所有©2009-2015 轴承狗zcgou.com ICP备案:津ICP备14004550号-13