SKF6018*轴承详细参数

发布时间:2026-04-14
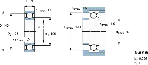
深沟球轴承, 单列, 无密封件
主要数据尺寸 基本负荷额定值 疲劳负荷限值 额定速度 体积 型号
动态 静态 参照速度 限制速度
d D B C C0 Pu * - SKF Explorer 轴承
mm kN kN r/min kg -
901402460,5501,961000063001,156018 *

SKF6018*深沟球轴承供应商

八零动力专业销售6018*深沟球轴承,库存SKF6018*大量现货,与SKF合作,咨询热线:022-58519723业务咨询
SKF6018*质量上乘的轴承,为设备的高效稳定运行奠定了基础它的精密设计,展现了人类智慧的巅峰 为您的机械提供持久动力,顺滑无声它在船舶工业中的应用,展现了它的耐腐蚀性 它的故障率极低,确保了设备的稳定运行 ,八零动力SKF深沟球轴承品种全,价格优,质量有保证!

用户关注最多的SKF轴承型号

SKF22215E* SKF23084CA/W33 SKF23218-2CS/VT143* SKF634-2RZ SKFBT2B334085/HA1VA901 SKFCR1475374 SKFCR14X25X5HMSA10V SKFCR6817 SKFFYL30TR/VE495 SKFJM738249/210 SKFK50x58x25 SKFNU1022ML SKFOKC710 SKFRNU217ECP* SKFSYH1.1/4FM

6018*深沟球轴承近似的SKF轴承型号

SKF6018* SKF6018-Z* SKF16018* SKF6018-RS SKF6018-2RS SKF6018N* SKF6018NR* SKF6018-RS1* SKF6018-2Z* SKF6018-2RS1* SKF6017NR* SKF6018-2RS

用户关注最多的轴承狗热门型号

NTN  628-2Z SKF  GE25ES-2LS NTN  7302C/DT SKF  618/630MA KOYO  NN3092 LYC  22310 CK TORRINGTON FAFNIR  3202A TIMKEN  RSAO SKF  FSNL532TURU LYC  6397/3630 SKF  YAR206-103-2F 国产  30240 KOYO  HF340 IKO  KT162212 IKO  TAF405020

版权所有©2009-2015 轴承狗zcgou.com ICP备案:津ICP备14004550号-13