SKF6011-2RS1*轴承详细参数

发布时间:2026-04-14
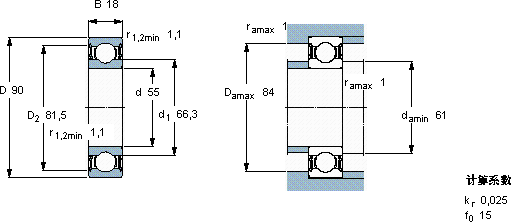
深沟球轴承, 单列, 两面密封件
主要数据尺寸 基本负荷额定值 疲劳负荷限值 额定速度 体积 型号
动态 静态 参照速度 限制速度
d D B C C0 Pu * - SKF Explorer 轴承
mm kN kN r/min kg -
55901829,621,20,9-45000,396011-2RS1 *

SKF6011-2RS1*深沟球轴承供应商

八零动力专业销售6011-2RS1*深沟球轴承,库存SKF6011-2RS1*大量现货,与SKF合作,咨询热线:022-58519723业务咨询
SKF6011-2RS1*轴承的稳定性和可靠性都十分出色,赢得了用户的信赖性能卓越的它,为机械设备的稳定运行提供了可靠保障质量上乘的轴承,为设备的高效稳定运行奠定了基础它的低摩擦设计,减少了能量损耗 精密与耐用的完美结合,它在轨道交通中的应用,确保了列车的安全运行 ,八零动力SKF深沟球轴承品种全,价格优,质量有保证!

用户关注最多的SKF轴承型号

SKF1726309-2RS1 SKF22207EK+H307* SKF304223C SKF3303A SKF624/HR11QN SKF6310-RS1* SKF719/600ACM SKF7234AC/DF SKFBT4B329071G/HA1VA901 SKFC2238* SKFCR46975 SKFCR99083 SKFFYTB15FM SKFN1011KPHA/HC5SP SKFNNU4180K30M/W33

6011-2RS1*深沟球轴承近似的SKF轴承型号

SKF6011-2RS1* SKF6011-2RS1/W64* SKF6011-Z* SKF6011NR* SKF6011-RS SKF6011-2RS SKF6011-RS1* SKF6011N* SKF16011* SKF6011-2Z* SKF6011-2RS SKF6011-2RS1/W64*

用户关注最多的轴承狗热门型号

NSK  23272CAKE4 TIMKEN  3984/3927X SKF  NU2214ECP NSK  N1012RSTPKR SKF  7211B NTN  NU2306E SKF  305803C-2Z KOYO  23076RHA 国产  NA6903 SKF  NNCF4920CV SKF  GE200ES-2RS KOYO  23284RHAK+H3284 SKF  7207BECBM SKF  GEP850FS NSK  RNA6904

版权所有©2009-2015 轴承狗zcgou.com ICP备案:津ICP备14004550号-13