SKF6008-2RZTN9/HC5C3WT轴承详细参数

发布时间:2026-05-30
深沟球轴承, 单列陶瓷混合轴承, 低摩擦两面密封件
主要数据尺寸 基本负荷额定值 疲劳负荷限值 额定速度 体积 型号
动态 静态 参照速度 限制速度
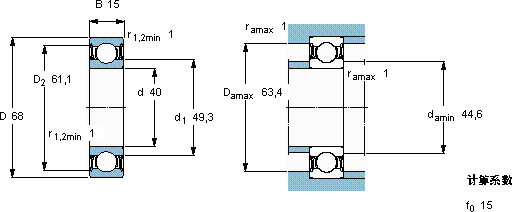
d D B C C0 Pu
mm kN kN r/min kg -
40681517,811,60,4928000180000,196008-2RZTN9/HC5C3WT

SKF6008-2RZTN9/HC5C3WT工程产品供应商

八零动力专业销售6008-2RZTN9/HC5C3WT工程产品,库存SKF6008-2RZTN9/HC5C3WT大量现货,与SKF合作,咨询热线:022-58519723业务咨询
SKF6008-2RZTN9/HC5C3WT卓越的设计理念,赋予了这款轴承超凡的性能这轴承的稳定性极佳,在高速运转时也能保持良好状态是机械世界的璀璨明星,它的精密装配,确保了整体性能的卓越 先进的制造技术和严格的质量控制,造就了这款优质轴承设计合理、性能优良的它,是机械设备稳定运行的重要保障,八零动力SKF工程产品品种全,价格优,质量有保证!

用户关注最多的SKF轴承型号

SKF23144CC/W33* SKF511/670 SKF6213/HC5C3 SKF7313BECBP SKFBA1B311745 SKFCR25X35X7HMSA10RG SKFCR30X50X10HMS5V SKFCR400450 SKFCR402006 SKFCR45X55X4HM4R SKFNU1064MA SKFPCMF182022B SKFPCMS1005001.0E SKFSC7018DB/P7 SKFSYE3.H-18

6008-2RZTN9/HC5C3WT工程产品近似的SKF轴承型号

SKF16008/HR11TN SKF6008/HR22T2 SKF6008/HR11QN SKF16008/HR22Q2 SKF6008-2RZTN9/HC5C3WT SKF16008/HR22T2 SKF6008/HR22Q2 SKF16008/HR11QN SKF6008/HR11TN SKF6008-2RZ* SKF6008-2Z*

用户关注最多的轴承狗热门型号

SKF  NU215ECP BARDEN  7006AC/DT SKF  PCZ1414M NTN  23124BK KOYO  T2CC022 ASK  NJ2212 NSK  6003VV MRC  61930 SKF  NK85/35 NSK  7318BDB SYEYR  NU2313 SKF  CR405003 NTN  UK308+H2308 国产  6304-RS NTN  30328U

版权所有©2009-2015 轴承狗zcgou.com ICP备案:津ICP备14004550号-13