SKF6006-2RZTN9/HC5C3WT轴承详细参数

发布时间:2026-04-14
深沟球轴承, 单列陶瓷混合轴承, 低摩擦两面密封件
主要数据尺寸 基本负荷额定值 疲劳负荷限值 额定速度 体积 型号
动态 静态 参照速度 限制速度
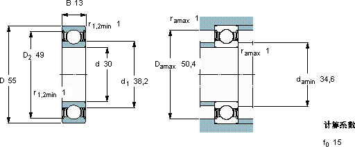
d D B C C0 Pu
mm kN kN r/min kg -
30551313,88,30,35534000240000,116006-2RZTN9/HC5C3WT

SKF6006-2RZTN9/HC5C3WT工程产品供应商

八零动力专业销售6006-2RZTN9/HC5C3WT工程产品,库存SKF6006-2RZTN9/HC5C3WT大量现货,与SKF合作,咨询热线:022-58519723业务咨询
SKF6006-2RZTN9/HC5C3WT它的耐磨性能,让它在恶劣环境下依然稳定运行 它的品质卓越,为机械设备的高效运行提供了坚实后盾轴承的耐用性极佳,为设备的长期稳定运行提供了保障它的每一次转动,都是对效率的极致追求 转动的艺术承载重载历经岁月,八零动力SKF工程产品品种全,价格优,质量有保证!

用户关注最多的SKF轴承型号

SKF30226 SKF6011/HR11TN SKF619/1400MB SKF7012ACE/P4A SKF7040C/DB SKF71905ACE/HCP4A SKFBT2B334152/HA3 SKFC71907DB/P7 SKFCR25X45X7CRW1R SKFCR6751 SKFFYNT90F SKFNN3015KTN/SP SKFNUP2218ECP SKFQJ310 SKFSY1.1/16TF

6006-2RZTN9/HC5C3WT工程产品近似的SKF轴承型号

SKF6006-2RZTN9/HC5C3WT SKF16006/HR11QN SKF6006/HR22Q2 SKF6006/HR11QN SKF6006/HR22T2 SKF6006/HR11TN SKF16006/HR11TN SKF16006/HR22Q2 SKF16006/HR22T2 SKF6006-2RZ* SKF6006-2Z*

用户关注最多的轴承狗热门型号

TIMKEN  240/1060YMD NTN  3302A TIMKEN  210RJ02 INA  PAP3240-P10 SKF  3305A-2Z/MT33* NSK  55BER10XE TIMKEN  T1421 NSK  NA4968 MRC  7000AC/DF LYC  RNAOV 3916 X3 SKF  SDAF23248KAx8.15/16 国产  RNU204M RHP  6026N KINGON  6800ZZ SKF  6303

版权所有©2009-2015 轴承狗zcgou.com ICP备案:津ICP备14004550号-13