SKF6004-Z*轴承详细参数

发布时间:2026-05-30
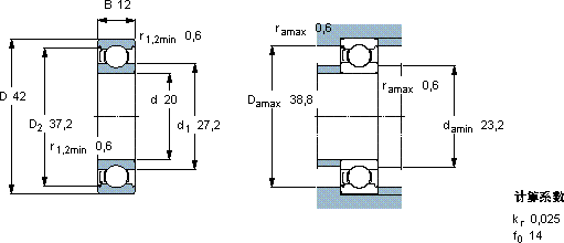
深沟球轴承, 单列, 单面防尘罩
主要数据尺寸 基本负荷额定值 疲劳负荷限值 额定速度 体积 型号
动态 静态 参照速度 限制速度
d D B C C0 Pu * - SKF Explorer 轴承
mm kN kN r/min kg -
2042129,9550,21238000240000,0696004-Z *

SKF6004-Z*深沟球轴承供应商

八零动力专业销售6004-Z*深沟球轴承,库存SKF6004-Z*大量现货,与SKF合作,咨询热线:022-58519723业务咨询
SKF6004-Z*卓越的性能表现,使这款轴承在市场上拥有良好的口碑它的制造工艺,堪称工业艺术的典范 它的轻量化设计,减少了运输成本 它的滚动体与沟槽的配合,堪称完美 让您的设备高效运行,这轴承的稳定性极佳,即使在恶劣环境下也能正常工作,八零动力SKF深沟球轴承品种全,价格优,质量有保证!

用户关注最多的SKF轴承型号

SKF23156CC/W33 SKF331169E/C500* SKF71824CD/HCP4A SKFC3168KM/HA3C4* SKFCR20X26X4HM4R SKFCR2513 SKFCR45X60X7HMS5V SKFCR70x88x8CRW1V SKFGE35CS-2Z SKFNU324ECM* SKFPF1.3/8FM SKFPCM252820E SKFQJ330 SKFSC7011DB/P7 SKFSYR1.1/2-18

6004-Z*深沟球轴承近似的SKF轴承型号

SKF6004-Z* SKFW6004 SKF6004-2ZNR* SKFW6004-2Z SKFW6004-2RS1 SKF6004-RSL* SKF6004-ZNR* SKFE2.6004-2Z/C3 SKF6004N* SKF6004NR* SKF6004-RZ SKF6004-ZNR*

用户关注最多的轴承狗热门型号

SKF  MB0 LYC  797/1380G2K INA  KWSE55-H TIMKEN  12FS22 NTN  NN3036K LYC  22314 C/C2W33 FAG  F517-B-L + 2217-K-M-C3 国产  629/7-2Z LYC  310/500 X2/P4 KOYO  16052 NACHI  NP230 NTN  7305C/DF INA  MKLF52155-ZR KOYO  46T32220JR/87 TIMKEN  495A/492A

版权所有©2009-2015 轴承狗zcgou.com ICP备案:津ICP备14004550号-13