SKF6002*轴承详细参数

发布时间:2026-05-29
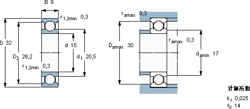
深沟球轴承, 单列, 无密封件
主要数据尺寸 基本负荷额定值 疲劳负荷限值 额定速度 体积 型号
动态 静态 参照速度 限制速度
d D B C C0 Pu * - SKF Explorer 轴承
mm kN kN r/min kg -
153295,852,850,1250000320000,0306002 *

SKF6002*深沟球轴承供应商

八零动力专业销售6002*深沟球轴承,库存SKF6002*大量现货,与SKF合作,咨询热线:022-58519723业务咨询
SKF6002*它在轨道交通中的应用,确保了列车的安全运行 该轴承的性能出色,有效提升了机械设备的整体性能它在印刷机械中的应用,展现了它的高精度 质量无可比拟的轴承,在行业内树立了良好的品质标杆先进的制造技术和严格的质量控制,造就了这款优质轴承它的故障率极低,确保了设备的稳定运行 ,八零动力SKF深沟球轴承品种全,价格优,质量有保证!

用户关注最多的SKF轴承型号

SKF32924 SKF7208BECBM* SKF7034AC/DT SKF71907DB/P7 SKFBT4B329004G/HA1VA901 SKFC31/600MB* SKFCR12X19X5HMS5V SKFCR25082 SKFFYJ90TF SKFFYTB3/4TF SKFNU2064ECMA SKFNU2276ECMA SKFQJ330N2MA* SKFQJ334N2MA* SKFTUM1.15/16TF

6002*深沟球轴承近似的SKF轴承型号

SKFE2.6002-2Z/C3 SKFW6002-2RS1 SKF6002-2RSH* SKF6002-RZ SKF6002-2RZ SKF16002-Z SKF6002-RS SKF6002-2Z* SKF6002-RSL* SKF6002-RSH* SKF6001/HR22T2 SKF6002-2RS

用户关注最多的轴承狗热门型号

国产  N315ADMA 国产  51309 FAG  HSS7003-E-T-P4S 国产  6201-2RS NACHI  22330A2XW33 GMN  71914C NACHI  240KBD031 SKF  3216 KOYO  22222CCK/W33 NSK  65BNR29XV1V STEYR  NUP2306E SKF  CR30X47X7HMSA10V FAG  SNV160-L + 23218-E1-K-TVPB + H2318X302 + FSV518 BARDEN  7224C KINGON  MF72

版权所有©2009-2015 轴承狗zcgou.com ICP备案:津ICP备14004550号-13