SKF53416M轴承详细参数

发布时间:2026-04-19
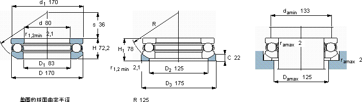
推力球轴承, 单向,带球面轴承座垫圈
主要数据尺寸 基本负荷额定值 疲劳负荷限值 最小负荷系数 额定速度 体积 型号
动态 静态 参照速度 限制速度 轴承 +垫圈 轴承 基座垫圈
d D H1 C C0 Pu A
mm kN kN - r/min kg -
801707827067022,42,3120017009,4053416 MU 416

SKF53416M推力球轴承供应商

八零动力专业销售53416M推力球轴承,库存SKF53416M大量现货,与SKF合作,咨询热线:022-58519723业务咨询
SKF53416M为您的机械提供持久动力,该轴承的性能卓越,完全满足了各种严苛工况的需求该轴承的性能优越,极大地提高了设备的工作效率它的每一次转动,都是对效率的极致追求 是您值得信赖的工业伙伴,为您的机械保驾护航它的品质卓越,为机械设备的高效运行提供了坚实后盾,八零动力SKF推力球轴承品种全,价格优,质量有保证!

用户关注最多的SKF轴承型号

SKF238/1000CAMA/W20 SKF23960CCK/W33 SKF52212 SKF71822CD/HCP4A SKF7213BECBP SKFBC4-8022/HA1 SKFC3068KM* SKFC5918V* SKFLS80105 SKFNJ2264ECMA SKFNJ2326E SKFNJ332ECM SKFNU2318ECM* SKFSC71907FB/P7 SKFYAR214-208-2F/AH

53416M推力球轴承近似的SKF轴承型号

SKF53416M SKF53416U SKF53416 SKF53416 SKF53416U

用户关注最多的轴承狗热门型号

TIMKEN  K16X22X16H.ZB2 NTN  NUP238E SKF  CR87513 STEYR  7320B/DB SKF  KMFE21 RIV  NJ309 国产  6200 RHP  7213C/DF KOYO  3306A-2RS 国产  7206BTN1 TIMKEN  16143 /16284-B SNR  7200B LYC  5397/3412 国产  7316ACM FAG  SNV130-L + 22215-E1-K + H315 + FSV515

版权所有©2009-2015 轴承狗zcgou.com ICP备案:津ICP备14004550号-13