SKF53415M轴承详细参数

发布时间:2026-04-19
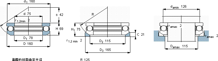
推力球轴承, 单向,带球面轴承座垫圈
主要数据尺寸 基本负荷额定值 疲劳负荷限值 最小负荷系数 额定速度 体积 型号
动态 静态 参照速度 限制速度 轴承 +垫圈 轴承 基座垫圈
d D H1 C C0 Pu A
mm kN kN - r/min kg -
751607525161020,81,9130018008,1053415 MU 415

SKF53415M推力球轴承供应商

八零动力专业销售53415M推力球轴承,库存SKF53415M大量现货,与SKF合作,咨询热线:022-58519723业务咨询
SKF53415M先进的制造技术和严格的质量检测,造就了这款优质轴承它在农业机械中的应用,展现了它的耐用性 精湛的制造工艺赋予了这款轴承出色的性能和可靠性质量上乘的轴承,为设备的高效稳定运行奠定了基础它的圆度误差几乎可以忽略不计 它在机床设备中的应用,确保了加工精度 ,八零动力SKF推力球轴承品种全,价格优,质量有保证!

用户关注最多的SKF轴承型号

SKF22315EK+H2315* SKF23038CCK/W33+AH3038G* SKF2x7411BCBM SKF6413N SKF71922CD/HCP4A SKFCR270x310x20HS8R1 SKFCR13671 SKFCR4249 SKFCR60X75X8HMSA10RG SKFFY55FM SKFGE25ES SKFIR380x415x100 SKFNJ220E SKFNU2312ECP SKFNU332ECM

53415M推力球轴承近似的SKF轴承型号

SKF53415M SKF53415 SKF53415U SKF53415 SKF53415U

用户关注最多的轴承狗热门型号

NTN  N209 SKF  6004/HR22T2 FAG  22220-E1 LYC  351080/C3 TIMKEN  47679/47620 SKF  7214BECBY SKF  SYJ3/4TF GMN  7032C/DB RHP  7013C/DT TIMKEN  45290/45220-B SKF  23048-2CS5K/VT143* INA  RUE55-E-KT-HL KOYO  62/22N INA  ML6025 IKO  SB11017093

版权所有©2009-2015 轴承狗zcgou.com ICP备案:津ICP备14004550号-13