SKF53412M轴承详细参数

发布时间:2026-04-14
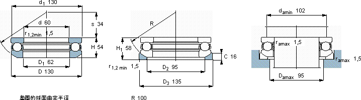
推力球轴承, 单向,带球面轴承座垫圈
主要数据尺寸 基本负荷额定值 疲劳负荷限值 最小负荷系数 额定速度 体积 型号
动态 静态 参照速度 限制速度 轴承 +垫圈 轴承 基座垫圈
d D H1 C C0 Pu A
mm kN kN - r/min kg -
6013058199430160,96160022003,8053412 MU 412

SKF53412M推力球轴承供应商

八零动力专业销售53412M推力球轴承,库存SKF53412M大量现货,与SKF合作,咨询热线:022-58519723业务咨询
SKF53412M承载重托给您意想不到的顺畅体验,质量无可挑剔的轴承,为设备的高效运作提供了有力支持始终顺滑如初,它的设计巧妙,在保证性能的同时,还兼顾了安装的便捷性它在冶金设备中的应用,确保了设备的高温性能 ,八零动力SKF推力球轴承品种全,价格优,质量有保证!

用户关注最多的SKF轴承型号

SKF215-2ZNR SKF22328-2CS5/VT143* SKF353005 SKF7005CD/P4A SKF7318B/DT SKFCR2425560 SKFCR24875 SKFCR400x440x20HDS1V SKFCR417500 SKFCR45X68X10HMSA10RG SKFFY15/16TF/AH SKFHCCE080R SKFPFT1.TF SKFRNA49/9 SKFYAR204-2RF/HV

53412M推力球轴承近似的SKF轴承型号

SKF53412 SKF53412U SKF53412M SKF53412 SKF53412U

用户关注最多的轴承狗热门型号

ZKL  32212 SKF  7409BGBM FAG  BND2230-Z-T-AF-S LYC  NN 3028/P5 SKF  CR40X68X10HMS5V SKF  22215E/W64* 国产  6206-NR TORRINGTON FAFNIR  6304-ZN INA  TSWWZ24-PD SKF  FYR3.1/2-3 SKF  SNL3076F FAG  H3338-HG TIMKEN  30212/30212 TIMKEN  H969249/H969210D+H969249XA Stieber  DC230J-10

版权所有©2009-2015 轴承狗zcgou.com ICP备案:津ICP备14004550号-13