SKF53226轴承详细参数

发布时间:2026-05-30
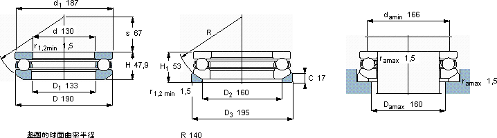
推力球轴承, 单向,带球面轴承座垫圈
主要数据尺寸 基本负荷额定值 疲劳负荷限值 最小负荷系数 额定速度 体积 型号
动态 静态 参照速度 限制速度 轴承 +垫圈 轴承 基座垫圈
d D H1 C C0 Pu A
mm kN kN - r/min kg -
13019053186585171,8140020004,8553226U 226

SKF53226推力球轴承供应商

八零动力专业销售53226推力球轴承,库存SKF53226大量现货,与SKF合作,咨询热线:022-58519723业务咨询
SKF53226它的抗冲击性能,让它经得起各种考验 是您值得信赖的工业伙伴,为您的机械保驾护航稳定旋转的核心力量卓越的设计理念,赋予了这款轴承超凡的性能为您的工程保驾护航,它的静音设计,让机械运转如丝般顺滑 ,八零动力SKF推力球轴承品种全,价格优,质量有保证!

用户关注最多的SKF轴承型号

SKF2x7334BCBM SKF32015 SKF618/670 SKF6303NR* SKF7019ACE/P4A SKFAH24128 SKFAHX2326G SKFCR1550162 SKFCR16497 SKFCR20965 SKFCR8X12X3HM4R SKFLL483448/418 SKFNJ1016ECML SKFSAA50ES-2RS SKFSILKAC22M

53226推力球轴承近似的SKF轴承型号

SKF53226U SKF53226 SKF53224U SKF53226U

用户关注最多的轴承狗热门型号

KOYO  7221AC/DT NSK  23260CAMKE4 SKF  33208/QCL7C SKF  NJ2216ECP KOYO  NU2305 NSK  200TMP93 TIMKEN  230/600YMB FAG  BND3072-Z-T-AL-S FAG  30316-A LYC  6007 2RS C3 FAG  SNV180-L + 21317-E1-K + H317 + FSV617 KOYO  21320RHK+H320X KOYO  54310 NTN  33205 FAG  BND3144-H-C-T-BF-S

版权所有©2009-2015 轴承狗zcgou.com ICP备案:津ICP备14004550号-13