SKF53217轴承详细参数

发布时间:2026-04-14
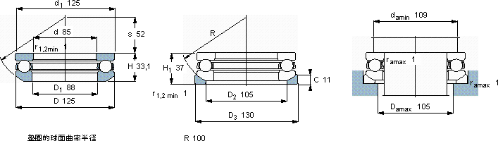
推力球轴承, 单向,带球面轴承座垫圈
主要数据尺寸 基本负荷额定值 疲劳负荷限值 最小负荷系数 额定速度 体积 型号
动态 静态 参照速度 限制速度 轴承 +垫圈 轴承 基座垫圈
d D H1 C C0 Pu A
mm kN kN - r/min kg -
851253797,52759,80,39220030001,5053217U 217

SKF53217推力球轴承供应商

八零动力专业销售53217推力球轴承,库存SKF53217大量现货,与SKF合作,咨询热线:022-58519723业务咨询
SKF53217它的精密制造工艺,让人叹为观止 卓越的性能表现,使这款轴承在市场上拥有良好的口碑制造工艺精湛,使得这款轴承的精度、稳定性和耐用性都非常出色它在家用电器中的应用,让生活更加便捷 它的抗剪切性能,确保了它的结构稳定性 卓越的设计和可靠的性能,是这款轴承的两大亮点,八零动力SKF推力球轴承品种全,价格优,质量有保证!

用户关注最多的SKF轴承型号

SKF23280CAK/W33+OH3280H* SKF29424 SKF2x7064BGM SKF62202-2RS1 SKF7032CD/P4A SKF7308BECBM SKF81244M SKFC4914K30V* SKFCR12830 SKFCR280x310x15HS8R SKFFYT25TF/VA228 SKFGS81228 SKFIR80x90x30 SKFNNU4932B/SPW33 SKFQJ248N2MA

53217推力球轴承近似的SKF轴承型号

SKF53217U SKF53217 SKF53216U SKF53217U

用户关注最多的轴承狗热门型号

MRC  QJ320 STEYR  51200 NACHI  22220EXK SKF  CR70x95x10CRW1R DKF  7219AC/DB STEYR  6012-2RS FAG  3808-B-TVH NSK  BL220Z STEYR  6009 国产  7001C SKF  51192 NACHI  1218K SKF  22205CCK/W33 INA  RSHEY45 IKO  BRI61816UU

版权所有©2009-2015 轴承狗zcgou.com ICP备案:津ICP备14004550号-13