SKF53216轴承详细参数

发布时间:2026-05-30
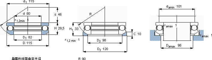
推力球轴承, 单向,带球面轴承座垫圈
主要数据尺寸 基本负荷额定值 疲劳负荷限值 最小负荷系数 额定速度 体积 型号
动态 静态 参照速度 限制速度 轴承 +垫圈 轴承 基座垫圈
d D H1 C C0 Pu A
mm kN kN - r/min kg -
801153376,12087,650,22240034001,1053216U 216

SKF53216推力球轴承供应商

八零动力专业销售53216推力球轴承,库存SKF53216大量现货,与SKF合作,咨询热线:022-58519723业务咨询
SKF53216这轴承的质量过硬,经得起时间和高强度工作的考验其设计和制造工艺都达到了国际先进水平,是一款优质轴承它的精密设计,展现了人类智慧的巅峰 它的每一次转动,都是对效率的极致追求 设计合理、性能优良的它,是机械设备稳定运行的重要保障它的滚动体与沟槽的配合,堪称完美 ,八零动力SKF推力球轴承品种全,价格优,质量有保证!

用户关注最多的SKF轴承型号

SKF22220CCK/W33+H320 SKF528R/522 SKF608-2RSLTN9/HC5C3WTF1 SKF7013FB/P7 SKFBTW95CTN9/SP SKFC39/500M* SKFCR1000x1050x23HDS2R2 SKFN800 SKFNJ309ECP* SKFNUP307ECP SKFOKBS128 SKFSAFC3044KAx7.13/16 SKFSY2.3/16WF SKFSYE2.15/16-3 SKFSYH1.3/16WF

53216推力球轴承近似的SKF轴承型号

SKF53216 SKF53216U SKF53215U SKF53216U

用户关注最多的轴承狗热门型号

DKF  7205AC/DF SKF  SNL528TURU SKF  PCM19019560M SKF  CR25X45X10HMS5RG FAG  22244-B-K-MB + AH2244 ZKL  N234 SKF  22216E LYC  2311 NSK  7205A5TYNSULP4 MAC  NJ2220 SKF  VJ-PDPF2214 TIMKEN  90381/90744 STEYR  2210K+H310 IKO  CF20BUU IKO  LWHD65...B

版权所有©2009-2015 轴承狗zcgou.com ICP备案:津ICP备14004550号-13