SKF53211轴承详细参数

发布时间:2026-04-15
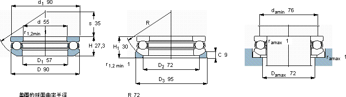
推力球轴承, 单向,带球面轴承座垫圈
主要数据尺寸 基本负荷额定值 疲劳负荷限值 最小负荷系数 额定速度 体积 型号
动态 静态 参照速度 限制速度 轴承 +垫圈 轴承 基座垫圈
d D H1 C C0 Pu A
mm kN kN - r/min kg -
55903061,81465,40,11280040000,7553211U 211

SKF53211推力球轴承供应商

八零动力专业销售53211推力球轴承,库存SKF53211大量现货,与SKF合作,咨询热线:022-58519723业务咨询
SKF53211它机械世界的心脏,默默支撑着无数设备的运转 它的静音设计,让机械运转如丝般顺滑 稳定持久卓越的设计理念,赋予了这款轴承超凡的性能它的可回收性,减少了废弃物处理成本 它的长寿命,减少了更换频率 ,八零动力SKF推力球轴承品种全,价格优,质量有保证!

用户关注最多的SKF轴承型号

SKF32012X/QCL7CDFC250* SKF6201-2RSLTN9/HC5C3WT SKF627-2Z* SKF71909ACE/HCP4A SKF71922AC SKFCR14807 SKFCR260x290x16HDS2V SKFCR32395 SKFCR40X60X10CRSA1R SKFCR42475 SKFGE220ES-2LS SKFHM801346X/2/310/QVQ523 SKFOKTC285 SKFRNU307ECP SKFSNL3288GL

53211推力球轴承近似的SKF轴承型号

SKF53211U SKF53211 SKF53210U SKF53211U

用户关注最多的轴承狗热门型号

NSK  7003ATYNSULP4 SKF  HM807040/010/QCL7C SKF  NU214ECJ* SKF  CR40X50X8HMSA10RG TIMKEN  M244249/M244210CD/M244249XA FAG  HCB7004-C-2RSD-T-P4S 国产  527/615 INA  SCE2416-P TIMKEN  317K SKF  C3976M* NACHI  51409 NTN  22228BK INA  LCJT35-N SKF  526/522/Q IKO  LSAGL10

版权所有©2009-2015 轴承狗zcgou.com ICP备案:津ICP备14004550号-13