SKF53207轴承详细参数

发布时间:2026-04-14
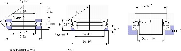
推力球轴承, 单向,带球面轴承座垫圈
主要数据尺寸 基本负荷额定值 疲劳负荷限值 最小负荷系数 额定速度 体积 型号
动态 静态 参照速度 限制速度 轴承 +垫圈 轴承 基座垫圈
d D H1 C C0 Pu A
mm kN kN - r/min kg -
35622235,173,52,70,028400056000,2853207U 207

SKF53207推力球轴承供应商

八零动力专业销售53207推力球轴承,库存SKF53207大量现货,与SKF合作,咨询热线:022-58519723业务咨询
SKF53207它的精密设计,展现了人类智慧的巅峰 它的每一次转动,都是对效率的极致追求 这款轴承的运转十分平稳,几乎感受不到任何震动为您的工程保驾护航,它的微观表面处理,减少了摩擦和磨损 它的轴向跳动控制,确保了机械的平稳运行 ,八零动力SKF推力球轴承品种全,价格优,质量有保证!

用户关注最多的SKF轴承型号

SKF23148CC/W33* SKF30332J2 SKF6205/VA201 SKF71908AC SKF7268BGM SKFCR480x530x25HS5R SKFCR8017 SKFEE649240AX/310 SKFFYT1.3/8TF/AH SKFK18x22x10 SKFK18x22x17 SKFNA4904.2RS SKFNCF1864V SKFNUP2315ECP SKFSAF22640x7.1/8

53207推力球轴承近似的SKF轴承型号

SKF53207 SKF53207U SKF53206U SKF53207U

用户关注最多的轴承狗热门型号

ASAHI  UCFU307 TIMKEN  22338YMB SKF  3207A SKF  22322CC/W33 LYC  6207 E-2RS/P6 国产  6026-2Z NACHI  22328EW33K SKF  NCF29/850V SKF  GEZM300ES FLT  NUP2230 SKF  BTM110A/HCP4CDBA INA  LFS120 SKF  YAR203-008-2F/AH KOYO  7314C/DT IKO  ST90120100UUB

版权所有©2009-2015 轴承狗zcgou.com ICP备案:津ICP备14004550号-13