SKF5306E轴承详细参数

发布时间:2026-05-30
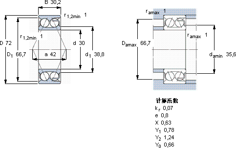
角接触球轴承, 双列, 无密封件
主要数据尺寸 基本负荷额定值 疲劳负荷限值 额定速度 体积 型号
动态 静态 参照速度 限制速度
d D B C C0 Pu
mm kN kN r/min kg -
307230,246,8431,83850090000,595306 E

SKF5306E角接触球轴承供应商

八零动力专业销售5306E角接触球轴承,库存SKF5306E大量现货,与SKF合作,咨询热线:022-58519723业务咨询
SKF5306E持久转动设计合理、性能优良的它,是机械设备稳定运行的重要保障每一次转动都是精准与力量的完美呈现,质量无可比拟的轴承,在行业内树立了良好的品质标杆该轴承的性能优越,极大地提高了设备的工作效率它的疲劳强度,确保了长期使用的可靠性 ,八零动力SKF角接触球轴承品种全,价格优,质量有保证!

用户关注最多的SKF轴承型号

SKF2212E-2RS1TN9 SKF22310EK* SKF23240-2CS5/VT143* SKF30224 SKF6004-RS SKF618/630MA SKF7010ACD/P4A SKF722512DA SKFBT4-0015G/HA1C400VA903 SKFC3096KM+AOHX3096G* SKFCR99259 SKFFYT1.1/8RM SKFPCM030403E/VB055 SKFS7019CD/P4A SKFS71917ACD/HCP4A

5306E角接触球轴承近似的SKF轴承型号

SKF5306A-2Z* SKF5306A-2RS1* SKF5306E SKF5306A* SKF5306E-2Z SKF5306E-2RS1 SKF5306A-2Z* SKF5306E-2RS1

用户关注最多的轴承狗热门型号

LYC  6204 E-2Z/Z1 STEYR  6209-2RS TORRINGTON  UEL204 SKF  NNU4960K/W33 NTN  N2336 NTN  24092CAC/W33 SKF  NNU4880/W33 DKF  7300AC/DF SKF  W6001-2Z INA  GY1107-KRR-B-AS2/V NTN  23076BK+AH3076 MRC  N408 TIMKEN  7098/07196D+X1S-07097 SKF  24026-2CS5/VT143* IKO  CRB15025UU

版权所有©2009-2015 轴承狗zcgou.com ICP备案:津ICP备14004550号-13