
SKF5305E轴承详细参数
发布时间:2026-05-30
| | | | | | | | | | |
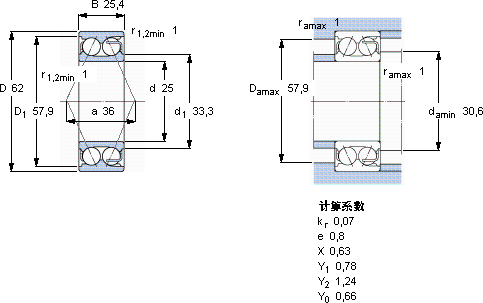
| 角接触球轴承, 双列, 无密封件 |
 |
| 主要数据尺寸 | 基本负荷额定值 | 疲劳负荷限值 | 额定速度 | 体积 | 型号 |
| | 动态 | 静态 | | 参照速度 | 限制速度 |
| d | D | B | C | C0 | Pu | |
 |
| mm | kN | kN | r/min | kg | - |
 |
| 25 | 62 | 25,4 | 34,1 | 30,5 | 1,29 | 10000 | 10000 | 0,39 | 5305 E |
SKF5305E角接触球轴承供应商
- 八零动力专业销售5305E角接触球轴承,库存SKF5305E大量现货,与SKF合作,咨询热线:022-58519723

- SKF5305E畅享稳定顺滑的旋转之旅,每一次旋转,都是品质的见证,坚固耐用卓越的性能表现,让这款轴承在市场上脱颖而出该轴承的性能出色,有效提升了机械设备的整体性能高精度低摩擦,八零动力SKF角接触球轴承品种全,价格优,质量有保证!
用户关注最多的SKF轴承型号
SKF23030CCK/W33
SKF241/630ECAK30/W33
SKF3208A-2RS1TN9/MT33*
SKF332298A/HA5
SKF353067DC
SKF7008C
SKF71916ACD/P4A
SKFCR1100257
SKFCR524229
SKFHA310E
SKFOKBS74
SKFS7014CD/P4A
SKFSAF22213
SKFSONL236-536
SKFSYH1.1/4WF