SKF5210E轴承详细参数

发布时间:2026-04-14
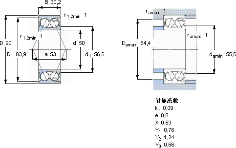
角接触球轴承, 双列, 无密封件
主要数据尺寸 基本负荷额定值 疲劳负荷限值 额定速度 体积 型号
动态 静态 参照速度 限制速度
d D B C C0 Pu
mm kN kN r/min kg -
509030,253,958,52,5630067000,825210 E

SKF5210E角接触球轴承供应商

八零动力专业销售5210E角接触球轴承,库存SKF5210E大量现货,与SKF合作,咨询热线:022-58519723业务咨询
SKF5210E它的精密设计,展现了人类智慧的巅峰 该轴承的性能出色,有效提升了机械设备的整体性能它的轴向跳动控制,确保了机械的平稳运行 它的品质卓越,为机械设备的高效运行提供了坚实后盾它的可回收性,体现了环保理念 高精度的轴承,为设备的稳定运行提供了坚实保障,八零动力SKF角接触球轴承品种全,价格优,质量有保证!

用户关注最多的SKF轴承型号

SKF24022CC/W33* SKF24152CC/W33 SKF54416 SKF61814-RS SKF6212-2RS1/HC5C3WT SKFCR42x56x8CRW1R SKFCR90806 SKFFYT50TF/VA228 SKFGEH120TXG3A-2LS SKFGEP100FS SKFNJ2224ECP* SKFPF1.7/16ARM SKFQJ1021N2MA SKFS71912ACD/HCP4A SKFSYE2.11/16N-118

5210E角接触球轴承近似的SKF轴承型号

SKF5210A-2Z* SKF5210E SKF5210A-2RS1* SKF5210E-2Z SKF5210A* SKF5210E-2RS1 SKF5210A-2Z* SKF5210E-2RS1

用户关注最多的轴承狗热门型号

NSK  54232X MAC  NUP217 FAG  SNV170-L + 22316-E1-K + H2316 + DHV616 NTN  61819-2RS FAG  SNV170-L + 1219-K-M-C3 + H219X306 + FSV519 SKF  23076CAC/W33 KOYO  7303AC TIMKEN  33287/33462D MRC  7317C/DT KOYO  24056RHA STEYR  NU207 LYC  7216 CM RIV  N2207 NACHI  6008ZZE IKO  CH16VUU

版权所有©2009-2015 轴承狗zcgou.com ICP备案:津ICP备14004550号-13