SKF5209E轴承详细参数

发布时间:2026-04-15
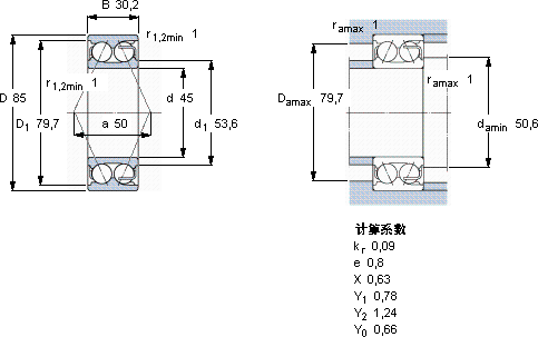
角接触球轴承, 双列, 无密封件
主要数据尺寸 基本负荷额定值 疲劳负荷限值 额定速度 体积 型号
动态 静态 参照速度 限制速度
d D B C C0 Pu
mm kN kN r/min kg -
458530,251,2542,32670070000,775209 E

SKF5209E角接触球轴承供应商

八零动力专业销售5209E角接触球轴承,库存SKF5209E大量现货,与SKF合作,咨询热线:022-58519723业务咨询
SKF5209E高精度的制造工艺,造就了这款高品质的轴承它的可靠性,赢得了无数用户的信赖 匠心制造卓越的设计和可靠的性能,是这款轴承的两大亮点它的故障率极低,确保了设备的稳定运行 铸就卓越品质,,八零动力SKF角接触球轴承品种全,价格优,质量有保证!

用户关注最多的SKF轴承型号

SKF23276CACK/W33 SKF2x7320BEGBY SKF2x7419CBM SKF32938T122/DBCG SKF7215C/DT SKF7218BECBP* SKFBCSB316586 SKFCR113X140X13CRSH1R SKFCR28X40X7HMS5V SKFCR42x60x8CRW1R SKFGEC600FBAS SKFHA216 SKFNJ1984ECMA SKFPFT1.1/4FM SKFPFT1.1/8FM

5209E角接触球轴承近似的SKF轴承型号

SKF5209A-2Z* SKF5209E SKF5209A* SKF5209A-2RS1* SKF5209A-2Z* SKF5210A*

用户关注最多的轴承狗热门型号

STEYR  6015-Z LYC  N 311 MAC  NJ2216 SKF  NKI7/16 KOYO  NNU4952 TIMKEN  52375/52637D NTN  7309B/DF NTN  24076B TIMKEN  560RN30 MRC  7332AC MRC  7034C DKF  7203AC/DT NSK  241/560CAK30E4 NTN  7340B/DB IKO  NA6917

版权所有©2009-2015 轴承狗zcgou.com ICP备案:津ICP备14004550号-13