SKF5207E-2RS1轴承详细参数

发布时间:2026-04-30
角接触球轴承, 双列, 两面密封件
主要数据尺寸 基本负荷额定值 疲劳负荷限值 额定速度 体积 型号
动态 静态 参照速度 限制速度
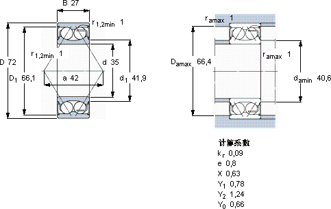
d D B C C0 Pu
mm kN kN r/min kg -
35722739,136,51,56-63000,545207 E-2RS1

SKF5207E-2RS1角接触球轴承供应商

八零动力专业销售5207E-2RS1角接触球轴承,库存SKF5207E-2RS1大量现货,与SKF合作,咨询热线:022-58519723业务咨询
SKF5207E-2RS1要设备更出色它在机器人领域的应用,展现了它的高精密性 它的品质卓越,是提升机械设备整体性能的关键所在为您的工程保驾护航,引领行业速度,我们的轴承始终稳如磐石这轴承的稳定性极佳,即使在恶劣环境下也能正常工作,八零动力SKF角接触球轴承品种全,价格优,质量有保证!

用户关注最多的SKF轴承型号

SKF1301 SKF22228CCK/W33+H3128 SKF358156 SKF51234M SKF71914DB/P7 SKFCR15X32X7HMS5V SKFCR85X130X12HMS5RG SKFCR87421 SKFFSAF1314 SKFN224ECP* SKFPWKR62.2RS SKFSNW113x2.3/16 SKFSONL217-517 SKFSYE2.3/4-18 SKFW628/7-2Z

5207E-2RS1角接触球轴承近似的SKF轴承型号

SKF5207A-2RS1* SKF5207A* SKF5207E-2RS1 SKF5207E-2Z SKF5207E SKF5207A-2Z* SKF5207E SKF5207E-2Z

用户关注最多的轴承狗热门型号

SKF  CR404000 TIMKEN  786/772 KOYO  596/592A NACHI  NP203 SKF  71828CD/HCP4A FAG  KUG15,875 GMN  7024AC/DT SKF  SYE3.H TIMKEN  682/672 SKF  GS81280 FAG  SNV072-L + 1207-TVH + TSV207 SKF  NA4913 LYC  6024 E/C3 MAC  NJ310 FAG  241/500-B-MB

版权所有©2009-2015 轴承狗zcgou.com ICP备案:津ICP备14004550号-13