SKF468431轴承详细参数

发布时间:2026-04-15
角接触球轴承, 单列
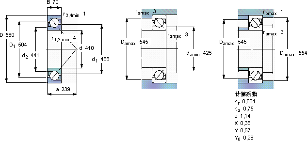
主要数据尺寸 尺寸 [英寸] 疲劳负荷限值 额定速度 体积 型号
动态 静态 参照速度 限制速度
d D B C C0 Pu
mm kN kN r/min kg -
41056070423830161100110049,5468431

SKF468431角接触球轴承供应商

八零动力专业销售468431角接触球轴承,库存SKF468431大量现货,与SKF合作,咨询热线:022-58519723业务咨询
SKF468431这轴承的精度控制令人佩服,为设备的精准运行提供了保障减少摩擦降低能耗它的抗冲击能力,让它经久不衰 轴承的稳定性和可靠性都十分出色,赢得了用户的信赖顺滑无声它的稳定性,让它在各种环境下都能可靠工作 ,八零动力SKF角接触球轴承品种全,价格优,质量有保证!

用户关注最多的SKF轴承型号

SKF1213EKTN9+H213 SKF208NR SKF3304ATN9* SKF89413TN SKFC71919DB/P7 SKFCR10074 SKFCR35X55X8CRW1V SKFCR529489 SKFCR6770 SKFCR90113 SKFCR9983 SKFFSYE2.7/16NH-118 SKFNJG2315VH SKFNNU4964BK/SPW33 SKFSYR2.11/16-3

468431角接触球轴承近似的SKF轴承型号

SKF468431 SKF466953 SKF47487/47420

用户关注最多的轴承狗热门型号

SKF  CR1300249 SKF  NNU41/1320M/W33 TIMKEN  LM377449/LM377410CD+LM377449XB LYC  6312 ECM/Z2 SKF  CR404903 NTN  N321 KOYO  46228 国产  LB8S-AJA KOYO  23096RK+H3096 SKF  C2320K* 国产  54320 NSK  7205ADB LYC  591/1060 M/P5 LYC  TC3868 IKO  CF10-1VUUR

版权所有©2009-2015 轴承狗zcgou.com ICP备案:津ICP备14004550号-13