SKF464777轴承详细参数

发布时间:2026-04-15
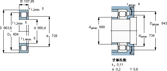
圆柱滚子轴承, 单列, NUP 设计
主要数据尺寸 基本负荷额定值 疲劳负荷限值 额定速度 体积 型号 适宜的斜挡圈
动态 静态 参照速度 限制速度 型号
d D B C C0 Pu
mm kN kN r/min kg - -
660,4863,6107,95308065504558001000177464777-

SKF464777圆柱滚子轴承供应商

八零动力专业销售464777圆柱滚子轴承,库存SKF464777大量现货,与SKF合作,咨询热线:022-58519723业务咨询
SKF464777其设计和制造工艺都达到了国际先进水平,是一款优质轴承有效增强了机械设备的竞争力它的品质卓越,为机械设备的高效、稳定运行保驾护航它的可靠性,赢得了无数工程师的信任 它在风力发电中的应用,为清洁能源贡献力量 性能优越的轴承,极大地提高了设备的工作效率和稳定性,八零动力SKF圆柱滚子轴承品种全,价格优,质量有保证!

用户关注最多的SKF轴承型号

SKF22380CAK/W33* SKF23218CC/W33 SKF316062 SKF3209A-2RS1TN9/MT33* SKF61952MA SKFC71909DB/P7 SKFCR7690 SKFCR9837 SKFNJ230E+HJ230E SKFNJG2324VH SKFNKI80/25 SKFNUP309ECP* SKFPDRJ315 SKFYAR218-2F SKFSNL532TURU

464777圆柱滚子轴承近似的SKF轴承型号

SKF464777 SKF462/453X SKF464787

用户关注最多的轴承狗热门型号

KOYO  23042RS MAC  NU2238E FAG  B7008-C-T-P4S MRC  7006AC/DF SKF  CR99092 KOYO  23140RK+AH3140 NTN  NUP2212E NTN  22314B FAG  BND3080-Z-Y-BL-S KOYO  NJ2328 LYC  NU 313 M/P63S0 KOYO  54418U SKF  618/5 INA  KGHK25-B-PP-AS SKF  NNC4960CV

版权所有©2009-2015 轴承狗zcgou.com ICP备案:津ICP备14004550号-13