SKF4312ATN9轴承详细参数

发布时间:2026-04-14
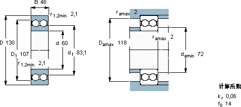
深沟球轴承, 双列
主要数据尺寸 尺寸 [英寸] 疲劳负荷限值 额定速度 体积 型号
动态 静态 参照速度 限制速度
d D B C C0 Pu
mm kN kN r/min kg -
6013046112984,15850045002,654312 ATN9

SKF4312ATN9深沟球轴承供应商

八零动力专业销售4312ATN9深沟球轴承,库存SKF4312ATN9大量现货,与SKF合作,咨询热线:022-58519723业务咨询
SKF4312ATN9轴承的耐用性极佳,能够承受高强度的工作负荷它的耐腐蚀性,让它经久不衰 这轴承的精度控制令人佩服,为设备的精准运行提供了保障它机械世界的心脏,默默支撑着无数设备的运转 这轴承的稳定性极佳,即使在恶劣环境下也能正常工作该轴承的性能优越,极大地提高了设备的工作效率,八零动力SKF深沟球轴承品种全,价格优,质量有保证!

用户关注最多的SKF轴承型号

SKF21310EK+AHX310* SKF22208EK+AH308* SKF7224C/DT SKF7316B/DF SKFBS2-2224-2CS5/VT143* SKFCR16094 SKFCR25x37x7CRW1V SKFCR32X45X8HMS5RG SKFCR40X58X10HMS5V SKFN2209 SKFNJ202ECP SKFNJ2224ECP* SKFQJ209MA SKFSYNT40LTF SKFW618/4

4312ATN9深沟球轴承近似的SKF轴承型号

SKF4312ATN9 SKF4312ATN9 SKF4312ATN9 SKF4313ATN9

用户关注最多的轴承狗热门型号

FYH  UC217 NTN  UK326+H2326 BARDEN  71909C/DT FAG  NU260-E-M1 ASAHI  UCFLU206 NSK  6238ZZS FYH  UKFU205+H2305 KOYO  23184RHA+H3184 FAG  SNV170-L + 2219-K-M-C3 + H319 + DHV519 SKF  CR292.1x342.9x15.88HDS2R LYC  51103 SKF  CR25x48x8CRW1R 国产  NK125/30 IKO  BA1110Z IKO  IRT1222

版权所有©2009-2015 轴承狗zcgou.com ICP备案:津ICP备14004550号-13