SKF361840轴承详细参数

发布时间:2026-05-30
深沟球轴承, 单列, 无密封件
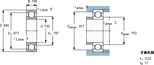
主要数据尺寸 基本负荷额定值 疲劳负荷限值 额定速度 体积 型号
动态 静态 参照速度 限制速度
d D B C C0 Pu
mm kN kN r/min kg -
7309401006501500221100900175361840

SKF361840深沟球轴承供应商

八零动力专业销售361840深沟球轴承,库存SKF361840大量现货,与SKF合作,咨询热线:022-58519723业务咨询
SKF361840设计合理、性能优良的轴承,是机械设备的理想之选卓越的性能表现,使这款轴承在市场上拥有良好的口碑它在家用电器中的应用,让生活更加便捷 铸就卓越品质,性能优越的轴承,极大地提升了设备的工作性能和效率它的抗氧化性能,延长了它的使用寿命 ,八零动力SKF深沟球轴承品种全,价格优,质量有保证!

用户关注最多的SKF轴承型号

SKF22252CACK/W33+H3152 SKF22332CCK/W33+H2332* SKF23244CC/W33* SKF23268CACK/W33+H3268 SKF248/1320CAFA/W20 SKF6010-RZ* SKFAHX2322G SKFCR50X90X13CRSH13R SKFFSAF22613x2.1/8 SKFFYT1.3/16TF SKFHMV25E SKFNKI35/30 SKFPCM374030M SKFPF1.1/4ARM SKFSDAF22230

361840深沟球轴承近似的SKF轴承型号

SKF361840 SKF361207R SKF361844

用户关注最多的轴承狗热门型号

NACHI  7200BDT NSK  NF236 TIMKEN  RAE45RRB SKF  HA3136L SKF  NUP208ECML* FAG  ZRB64X100-QP INA  RNA2205-2RSR TIMKEN  52400 /52618-B INA  ML5520 SKF  PCMF121409E KOYO  6044 KOYO  22260RK+AH2260 BARDEN  7310C TIMKEN  360RU30 IKO  MXNL45

版权所有©2009-2015 轴承狗zcgou.com ICP备案:津ICP备14004550号-13