SKF353102A轴承详细参数

发布时间:2026-05-30
圆锥滚子推力轴承, 双向
主要数据尺寸 基本负荷额定值 疲劳负荷限值 最小负荷系数 型号
动态 静态
d D H C C0 Pu
mm kN kN kg -
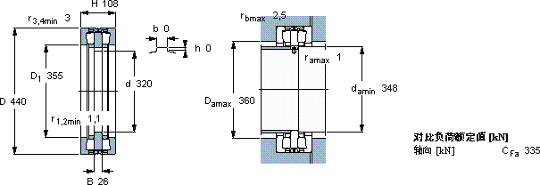
320440108990500033548,5353102 A

SKF353102A圆锥滚子推力轴承供应商

八零动力专业销售353102A圆锥滚子推力轴承,库存SKF353102A大量现货,与SKF合作,咨询热线:022-58519723业务咨询
SKF353102A先进的生产工艺,让这款轴承的性能得到了极大提升它在船舶工业中的应用,展现了它的耐腐蚀性 它的耐磨性能,让它在恶劣环境下依然稳定运行 它的滚动体分布均匀,运转平稳无振动 从制造工艺到实际性能,这款轴承都表现得十分出色,这轴承的稳定性极佳,在高速运转时也能保持良好状态,八零动力SKF圆锥滚子推力轴承品种全,价格优,质量有保证!

用户关注最多的SKF轴承型号

SKF23256CACK/W33+H2356 SKF2x7215BECBP SKF319166A SKF6006N* SKF7216C/DT SKFAH3240 SKFAOHX3096G SKFCR100042 SKFCR17756 SKFCR24897 SKFCR32815 SKFCR401900 SKFCR43x60x8CRW1R SKFNUP305ECP* SKFSNL519-616

353102A圆锥滚子推力轴承近似的SKF轴承型号

SKF353102A SKF353093AU SKF353106

用户关注最多的轴承狗热门型号

LYC  6812 2RS FAG  SNV150-L + 2217-M + DH217 TIMKEN  38KLL2 NSK  7318BYG TIMKEN  RAE35RR NACHI  16003 SKF  NJ214E NSK  CM-UCF202D1 SKF  NJ238ECM* STEYR  1310K SKF  CR44960 LYC  6209 E-2RZ/Z3 KOYO  51188 KOYO  R40/30 IKO  LRXDG25

版权所有©2009-2015 轴承狗zcgou.com ICP备案:津ICP备14004550号-13