SKF351761A轴承详细参数

发布时间:2026-04-14
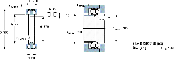
圆锥滚子推力轴承, 双向
主要数据尺寸 基本负荷额定值 疲劳负荷限值 最小负荷系数 型号
动态 静态
d D H C C0 Pu
mm kN kN kg -
6709002303580190001120425351761 A

SKF351761A圆锥滚子推力轴承供应商

八零动力专业销售351761A圆锥滚子推力轴承,库存SKF351761A大量现货,与SKF合作,咨询热线:022-58519723业务咨询
SKF351761A它的使用寿命,远超同类产品 转动世界的精密之选,这轴承的设计简直精妙绝伦,每一处细节都彰显着极致的工艺美学高精度低摩擦先进的制造技术和严格的质量控制,造就了这款优质轴承它的质量卓越,为机械设备的安全运行保驾护航,八零动力SKF圆锥滚子推力轴承品种全,价格优,质量有保证!

用户关注最多的SKF轴承型号

SKF22208CCK/W33+H308 SKF5305E-2Z SKFBTM130A/HCP4CDBB SKFC2208KV+H308* SKFCR1300549 SKFCR400355 SKFCR72X100X10HMS5V SKFFSAF1617 SKFFY1.3/16FM SKFKR32PPA SKFNJ2310ECML* SKFNU2260MA SKFRPNA20/35 SKFSY40FM SKFT4CB140

351761A圆锥滚子推力轴承近似的SKF轴承型号

SKF351761A SKF351585B SKF351793

用户关注最多的轴承狗热门型号

NACHI  23219E SKF  CR19807 SKF  SY45TF/VA228 SKF  CR25X35X6HMS5V LYC  E3S-406 LYC  011.45.1400.12K NACHI  53317U SKF  7203BECBP SKF  GEZM208ES STEYR  51213 LYC  LY-N064 SNR  7302B/DB NSK  NA4856 SKF  PCM120125100E TIMKEN  8573 /8520-B

版权所有©2009-2015 轴承狗zcgou.com ICP备案:津ICP备14004550号-13