SKF351475C轴承详细参数

发布时间:2026-05-30
圆锥滚子推力轴承, 双向
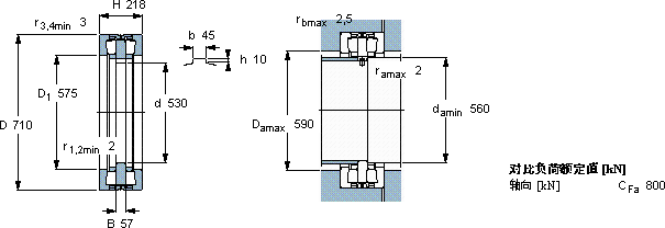
主要数据尺寸 基本负荷额定值 疲劳负荷限值 最小负荷系数 型号
动态 静态
d D H C C0 Pu
mm kN kN kg -
530710218220011000695245351475 C

SKF351475C圆锥滚子推力轴承供应商

八零动力专业销售351475C圆锥滚子推力轴承,库存SKF351475C大量现货,与SKF合作,咨询热线:022-58519723业务咨询
SKF351475C每一次转动都是精准与力量的完美呈现,没有轴承,现代机械将寸步难行,它的尺寸精度,达到了微米级的极致 设计合理、性能优良的它,是机械设备实现高效运行的重要保障它在船舶工业中的应用,展现了它的耐腐蚀性 它的低噪音设计,减少了对环境的噪音污染 ,八零动力SKF圆锥滚子推力轴承品种全,价格优,质量有保证!

用户关注最多的SKF轴承型号

SKF25590/25522/Q SKF316053 SKF6013-2RS SKF619/500MA SKF619/900MB SKF81130 SKFCR19310 SKFCR450x500x20HDS1R SKFCR51252 SKFCR6806 SKFEE2TN9 SKFKMT5 SKFPFT15/16FM SKFSAF1312 SKFT2ED050/Q

351475C圆锥滚子推力轴承近似的SKF轴承型号

SKF351475C SKF351468A SKF351554B

用户关注最多的轴承狗热门型号

FAG  NU206-E-TVP2 LYC  6304 E-2RS/C3HT SKF  CR40X62X6HMS5RG SKF  CR37X50X6HMSA10V FAG  NJ2208-E-TVP2 + HJ2208E SKF  MB13A LYC  FCDP 120164575/HCP64 LYC  6200 E-2RZ/C3Z1LHT NTN  NJ226+HJ226 KOYO  32206 NACHI  24122EX1K30 BARDEN  7240C/DF TIMKEN  376DE/372A FAG  3309-DA IKO  BK6820A

版权所有©2009-2015 轴承狗zcgou.com ICP备案:津ICP备14004550号-13