SKF351121C轴承详细参数

发布时间:2026-04-15
圆锥滚子推力轴承, 双向
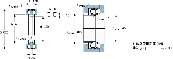
主要数据尺寸 基本负荷额定值 疲劳负荷限值 最小负荷系数 型号
动态 静态
d D H C C0 Pu
mm kN kN kg -
420620170242012200800185351121 C

SKF351121C圆锥滚子推力轴承供应商

八零动力专业销售351121C圆锥滚子推力轴承,库存SKF351121C大量现货,与SKF合作,咨询热线:022-58519723业务咨询
SKF351121C它的密封性能,减少了润滑剂的泄漏 它在机器人领域的应用,展现了它的高精密性 零误差起步它在汽车工业中的应用,让车辆运行更加平稳 它的精密制造工艺,让人叹为观止 它的品质卓越,为机械设备的高效、稳定运行保驾护航,八零动力SKF圆锥滚子推力轴承品种全,价格优,质量有保证!

用户关注最多的SKF轴承型号

SKF1312 SKF22248CC/W33* SKF23132CCK/W33 SKF24064CACK30/W33 SKFAHX3130G SKFBVNB328883/HA1 SKFC3156K* SKFCR13027 SKFMB2 SKFNAO70x100x30 SKFNU2326E SKFPCM222525B SKFS71914FB/P7 SKFSC7017DB/P7 SKFYAT203-010

351121C圆锥滚子推力轴承近似的SKF轴承型号

SKF351121C SKF351100C SKF351148B

用户关注最多的轴承狗热门型号

SKF  CR16533 INA  IR42X47X20 KOYO  7212AC/DT SKF  2788/2720/QCL7C NMB  RIF-518ZZ DKF  7307AC/DF NTN  NJ2220 FAG  H3140-HG FAG  H2317X215 SKF  NUP205ECP INA  XU060111 NSK  53268XU SKF  23056CC/W33 SKF  22320EKJA/VA405* SKF  NNCF5015CV

版权所有©2009-2015 轴承狗zcgou.com ICP备案:津ICP备14004550号-13