SKF351019C轴承详细参数

发布时间:2026-04-15
圆锥滚子推力轴承, 双向
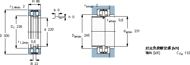
主要数据尺寸 基本负荷额定值 疲劳负荷限值 最小负荷系数 型号
动态 静态
d D H C C0 Pu
mm kN kN kg -
22030096440166013220,0351019 C

SKF351019C圆锥滚子推力轴承供应商

八零动力专业销售351019C圆锥滚子推力轴承,库存SKF351019C大量现货,与SKF合作,咨询热线:022-58519723业务咨询
SKF351019C它的品质卓越,是提升机械设备整体性能的关键所在这轴承的选材讲究,坚固耐用,寿命远超同类产品制造工艺先进,使得这款轴承的性能远超普通产品设计独特的轴承,不仅性能优越,还具有很高的性价比轴承的耐用性极佳,能够承受高强度的工作负荷它的可靠性,赢得了无数工程师的信任 ,八零动力SKF圆锥滚子推力轴承品种全,价格优,质量有保证!

用户关注最多的SKF轴承型号

SKF23156CCK/W33+OH3156H* SKF2x7230BCBM SKF7212AC/DF SKF7280BM SKFAHX312 SKFBS2-2207-2CS/VT143* SKFCR10158 SKFGEC500TXA-2RS SKFH313 SKFNA4913 SKFNN3088K/W33 SKFNNU4921BK/SPW33 SKFNU1021ML SKFSAF22620x3.5/16 SKFYAR207-105-2F/AH

351019C圆锥滚子推力轴承近似的SKF轴承型号

SKF351019C SKF351006A SKF351100C

用户关注最多的轴承狗热门型号

FAG  23188-K-MB KOYO  58FC40180W TIMKEN  HMV-98 TORRINGTON  24126CCK30/W33 SKF  FYJ70TF TIMKEN  29688/29622D/X1S-29688 SKF  PCZ0606M NSK  NUP318EM TIMKEN  53176 /53387-B MRC  7319C NTN  NUP2311E SKF  H306C RIV  N312 INA  GLCTE12 IKO  LWLFG18...N

版权所有©2009-2015 轴承狗zcgou.com ICP备案:津ICP备14004550号-13