SKF350916D轴承详细参数

发布时间:2026-05-29
圆锥滚子推力轴承, 双向
主要数据尺寸 基本负荷额定值 疲劳负荷限值 最小负荷系数 型号
动态 静态
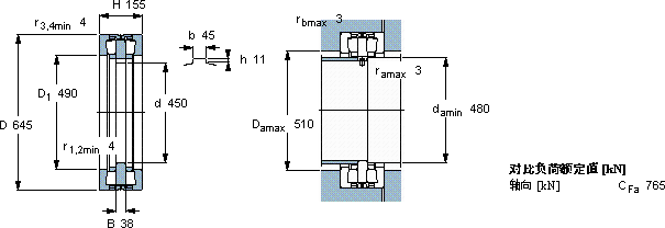
d D H C C0 Pu
mm kN kN kg -
450645155198010800695170350916 D

SKF350916D圆锥滚子推力轴承供应商

八零动力专业销售350916D圆锥滚子推力轴承,库存SKF350916D大量现货,与SKF合作,咨询热线:022-58519723业务咨询
SKF350916D该轴承的性能优越,极大地提高了设备的工作效率轴承的稳定性和可靠性表现出色,赢得了用户的高度认可承载重载历经岁月为您的工程保驾护航,它的设计巧妙,在保证性能的同时,还兼顾了安装的便捷性我们的轴承卓越的性能,八零动力SKF圆锥滚子推力轴承品种全,价格优,质量有保证!

用户关注最多的SKF轴承型号

SKF23238CC/W33 SKF24038CCK30/W33 SKF32022T84X/QDBC200 SKF6301* SKF71910ACE/P4A SKF7232C/DB SKFBT4B332596/HA4 SKFCR47X65X12CRSH13R SKFCR8632 SKFCR99168 SKFN1020KTNHA/HC5SP SKFNNU4068M/W33 SKFSYNT45FW SKFW619/4 SKFYAR209-111-2F

350916D圆锥滚子推力轴承近似的SKF轴承型号

SKF350916D SKF350901C SKF350976C

用户关注最多的轴承狗热门型号

SKF  61916-2RS NSK  7208ATYNP5 SNFA  7220C SKF  NKI6/12 SKF  22324CC/W33 NTN  7207B/DF KOYO  45296 LYC  QJF 6/700/P6 GMN  7005C NSK  N407 NTN  AS140180 国产  HK/20*26*14YA 国产  NKX30 FAG  SNV170-L + 2219-K-M-C3 + H319X306 + DH519 IKO  LM6090110UU

版权所有©2009-2015 轴承狗zcgou.com ICP备案:津ICP备14004550号-13